60 HP (45 KW), RPM INPUT 500/650, RATIO 500/650, RPM OUTPUT 15/19, NUTTALL T15 PARALLEL GEAR REDUCER / SPEED REDUCER / GEARBOX, USED

Print

20080300000 044b70488c93a66d5f922878fa966aeae3d8d0ca
20080300000 993b079dda2fa2e9964d4698dafeda59aaf795e7
20080300000 b59448573a1ff40e0238486b79be47a563fde976
20080300000 b3cf3129bc6ab7334f0752850269fc2c8ada0584
20080300000 1e05d5dfea3b8bd0857ed1cc22481aee54903f44
[ Delete Photo ]
20080300000 374203aac655c782ae6680c0e304b18f929318ea

 

 

 

 

 

20080300000

INVENTORY ID20080300000  
TITLE60 HP (45 KW), RPM INPUT 500/650, RATIO 500/650, RPM OUTPUT 15/19, NUTTALL T15 PARALLEL GEAR REDUCER / SPEED REDUCER / GEARBOX, USED  
NEW ARRIVAL TRUE  
HORSEPOWER 60  
RPM INPUT 500/650  
RATIO 33.597 RATIO  
RPM OUTPUT 15/19  
GEARBOX SHAFT ARRANGEMENT PARALLEL  
MANUFACTURER OF EQUIPMENT NUTTALL  
MODEL NUMBER T15  
SERIAL NUMBER 9604-2  
REDUCTION SINGLE  
SVC FACTOR (1.0, 1.5 ETC) 1.56  
GEAR TYPE (HERRINGBONE, WORM, ETC) HELICAL  
BEARING TYPE ROLLER  
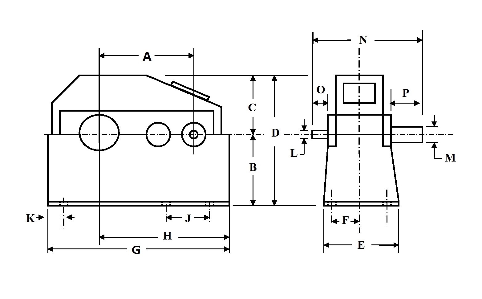
DIMENSION A 24.524  
DIMENSION B 15  
DIMENSION C 15  
DIMENSION D 30  
DIMENSION E 25  
DIMENSION F 11  
DIMENSION G 49.5  
DIMENSION H 33  
DIMENSION J 19.25  
DIMENSION K 5.5  
DIMENSION L 1.875  
DINEMSION M 5.25  
DIMENSION N 42.5  
DIMENSION O 4  
DIMENSION P 9.5  

 

 

 

Casey logo
275 KAPPA DRIVE
PITTSBURGH, PA 15238
PHONE: (412) 963-1111
HOURS OF OPERATION: Monday – Friday
WAREHOUSE: 7:00am to 3:30pm
CORPORATE OFFICE: 7:30am to 4:00pm
Copyright © 2026 Casey Equipment Corporation