33.6 HP (25 KW), RPM INPUT 1750, 76.3 RATIO, RPM OUTPUT 23, H&S PARALLEL GEAR REDUCER / SPEED REDUCER / GEARBOX, USED

Print

20079600000 131a81f7e3eb6f812cc671d27b152c46d4a9cc6d
20079600000 0b17e7e426baada251193af42b37d1b4126d69c0
20079600000 97c63437130ef48f2b1617c31d1f05964b09d7a7
20079600000 374203aac655c782ae6680c0e304b18f929318ea

 

 

 

 

 

20079600000

INVENTORY ID20079600000  
TITLE33.6 HP (25 KW), RPM INPUT 1750, 76.3 RATIO, RPM OUTPUT 23, H&S PARALLEL GEAR REDUCER / SPEED REDUCER / GEARBOX, USED  
NEW ARRIVAL TRUE  
HORSEPOWER 33.6  
RPM INPUT 1750  
RATIO 76.3:1 RATIO  
RPM OUTPUT 23  
GEARBOX SHAFT ARRANGEMENT PARALLEL  
MANUFACTURER OF EQUIPMENT HORSBURG & SCOTT  
REDUCTION TRIPLE  
SVC FACTOR (1.0, 1.5 ETC) 1.64  
GEAR TYPE (HERRINGBONE, WORM, ETC) HELICAL  
BEARING TYPE ROLLER  
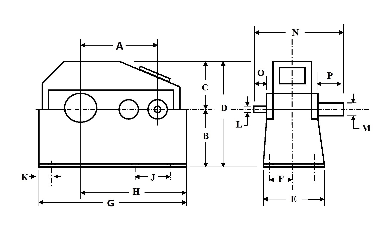
DIMENSION A 25  
DIMENSION B 15.5  
DIMENSION C 10  
DIMENSION D 25.5  
DIMENSION E 25.5  
DIMENSION F 11.25  
DIMENSION G 36  
DIMENSION H 23.5  
DIMENSION J 16  
DIMENSION K 4.25  
DIMENSION L 1.125  
DINEMSION M 4.25  
DIMENSION N 37.5  
DIMENSION O 3  
DIMENSION P 9  

 

 

 

Casey logo
275 KAPPA DRIVE
PITTSBURGH, PA 15238
PHONE: (412) 963-1111
HOURS OF OPERATION: Monday – Friday
WAREHOUSE: 7:00am to 3:30pm
CORPORATE OFFICE: 7:30am to 4:00pm
Copyright © 2026 Casey Equipment Corporation