200 HP (268 KW), RPM INPUT 420, 56.5 RATIO, RPM OUTPUT 7, D.O. JAMES SH-323XC GEAR REDUCER / SPEED REDUCER / GEARBOX, USED

Print

20059700000 414c0b83e2f9ad3cd5ccd2816d6ca5cb2bedbc08
20059700000 74f10af59f2dbb1802a3035bfa27dfd8a6adeaa4
20059700000 8ef3a7ca48f239462009e1cb0603dc474ef2a1f4
20059700000 d2ca8cb80e2e1d04f5acf0212a38a90747d498bf
20059700000 374203aac655c782ae6680c0e304b18f929318ea

 

 

 

 

 

20059700000

INVENTORY ID20059700000  
TITLE200 HP (268 KW), RPM INPUT 420, 56.5 RATIO, RPM OUTPUT 7, D.O. JAMES SH-323XC GEAR REDUCER / SPEED REDUCER / GEARBOX, USED  
HORSEPOWER 200  
RPM INPUT 420  
RATIO 56.5:1 RATIO  
RPM OUTPUT 7  
GEARBOX SHAFT ARRANGEMENT PARALLEL  
MANUFACTURER OF EQUIPMENT D.O. JAMES  
MODEL NUMBER SH-323XC  
SERIAL NUMBER 237098  
REDUCTION QUADRUPLE  
SVC FACTOR (1.0, 1.5 ETC) 1.5  
GEAR TYPE (HERRINGBONE, WORM, ETC) HELICAL  
BEARING TYPE ROLLER  
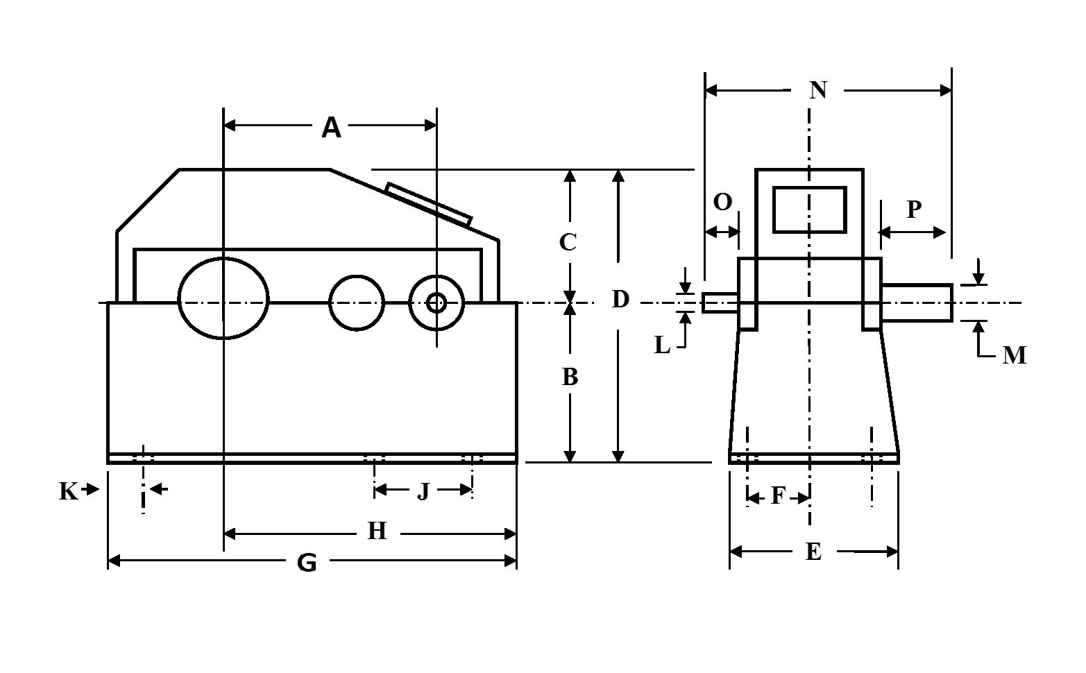
DIMENSION A 51  
DIMENSION B 33.5  
DIMENSION C 32.5  
DIMENSION D 66  
DIMENSION E 41  
DIMENSION F 17.5  
DIMENSION G 102  
DIMENSION H 66  
DIMENSION J 20  
DIMENSION K 8.5  
DIMENSION L 5  
DINEMSION M 10.75  
DIMENSION N 85  
DIMENSION O 7.75  
DIMENSION P 19  

 

 

 

Casey logo
275 KAPPA DRIVE
PITTSBURGH, PA 15238
PHONE: (412) 963-1111
HOURS OF OPERATION: Monday – Friday
WAREHOUSE: 7:00am to 3:30pm
CORPORATE OFFICE: 7:30am to 4:00pm
Copyright © 2026 Casey Equipment Corporation