18.9 HP (14 KW), RPM INPUT 850, 5.5 RATIO, RPM OUTPUT 155, HORSBURGH & SCOTT LS 1300 PARALLEL GEAR REDUCER / SPEED REDUCER / GEARBOX, USED

Print

20056900000 92ea392afa2b5f8f932882f68cb435497320d2ad
20056900000 4e401e7700bdceedba4872d2e91882429ed1d47a
20056900000 1f8be09ab40a39ee3a386f51bae613a9bd679a43
20056900000 5e6a98c90aa095f06cd74ec5bb7bc0737b63f834
20056900000 374203aac655c782ae6680c0e304b18f929318ea

 

 

 

 

 

20056900000

INVENTORY ID20056900000  
TITLE18.9 HP (14 KW), RPM INPUT 850, 5.5 RATIO, RPM OUTPUT 155, HORSBURGH & SCOTT LS 1300 PARALLEL GEAR REDUCER / SPEED REDUCER / GEARBOX, USED  
HORSEPOWER 200  
RPM INPUT 1030  
RATIO 5.75 RATIO  
RPM OUTPUT 179  
GEARBOX SHAFT ARRANGEMENT RIGHTANGLE  
MANUFACTURER OF EQUIPMENT PITTSBURGH GEAR  
YEAR OF MANUFACTURE 1987  
MODEL NUMBER 350XB2-1L (FESSLER STYLE)  
REDUCTION DOUBLE  
SVC FACTOR (1.0, 1.5 ETC) 1.0  
GEAR TYPE (HERRINGBONE, WORM, ETC) HELICAL  
BEARING TYPE ROLLER  
PREVIOUS USE COIL BOX FROM HOT STRIP MILL  
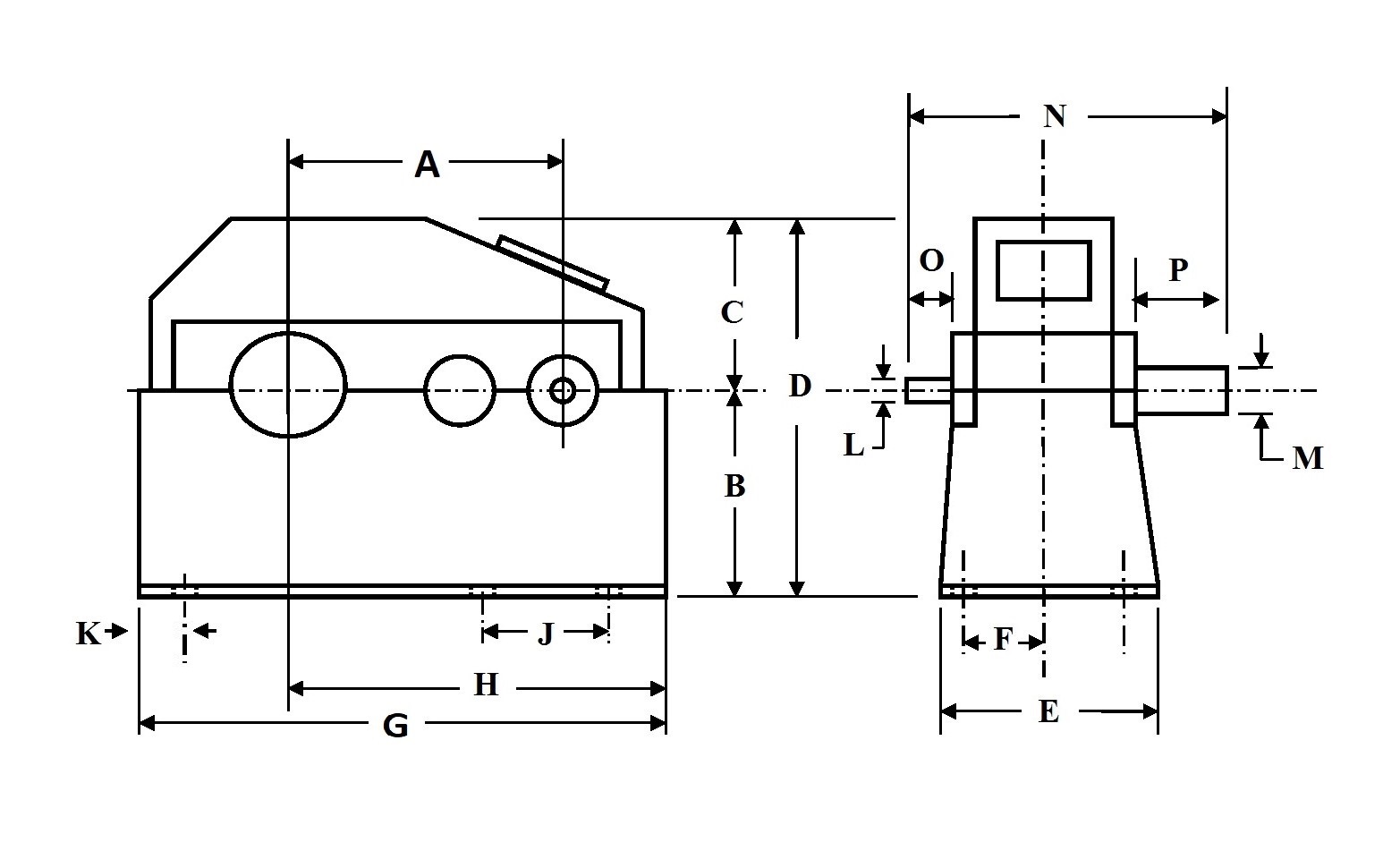
DIMENSION B 15.5  
DIMENSION C 13.75  
DIMENSION D 29.25  
DIMENSION E 23.25  
DIMENSION F 10.25  
DIMENSION G 34.25  
DIMENSION H 22.25  
DIMENSION J 14.62  
DIMENSION K 2  
DIMENSION L 3.75  
DINEMSION M 5.75  
DIMENSION N 31.87  
DIMENSION O 10  
DIMENSION P 8.62  

 

 

 

Casey logo
275 KAPPA DRIVE
PITTSBURGH, PA 15238
PHONE: (412) 963-1111
HOURS OF OPERATION: Monday – Friday
WAREHOUSE: 7:00am to 3:30pm
CORPORATE OFFICE: 7:30am to 4:00pm
Copyright © 2026 Casey Equipment Corporation