252 HP (187 KW), RPM INPUT 515, 5.76 RATIO RPM OUTPUT 89, FESSLER 350XB2-S RIGHT ANGLE GEAR REDUCER, USED

Print

20056800000 22f2a28fda67af2ebbcbb1fa6101d369fd7477f1
20056800000 ee4860c42ef43cb8bc9acbebdce10f7ebe92bc8c
20056800000 0c29f0fa93e1e810ac90c40d286d760eada0b84c
20056800000 374203aac655c782ae6680c0e304b18f929318ea

 

 

 

 

 

20056800000

INVENTORY ID20056800000  
TITLE252 HP (187 KW), RPM INPUT 515, 5.76 RATIO RPM OUTPUT 89, FESSLER 350XB2-S RIGHT ANGLE GEAR REDUCER, USED  
HORSEPOWER 252  
RPM INPUT 515  
RATIO 5.76:1 RATIO  
GEARBOX SHAFT ARRANGEMENT RIGHTANGLE  
MANUFACTURER OF EQUIPMENT FESSLER  
YEAR OF MANUFACTURE 1987  
MODEL NUMBER 350XB2-S  
SERIAL NUMBER H-804-1  
REDUCTION DOUBLE  
SVC FACTOR (1.0, 1.5 ETC) 1.0  
GEAR TYPE (HERRINGBONE, WORM, ETC) HELICAL  
BEARING TYPE ROLLER  
PREVIOUS USE COIL BOX FROM HOT STRIP MILL  
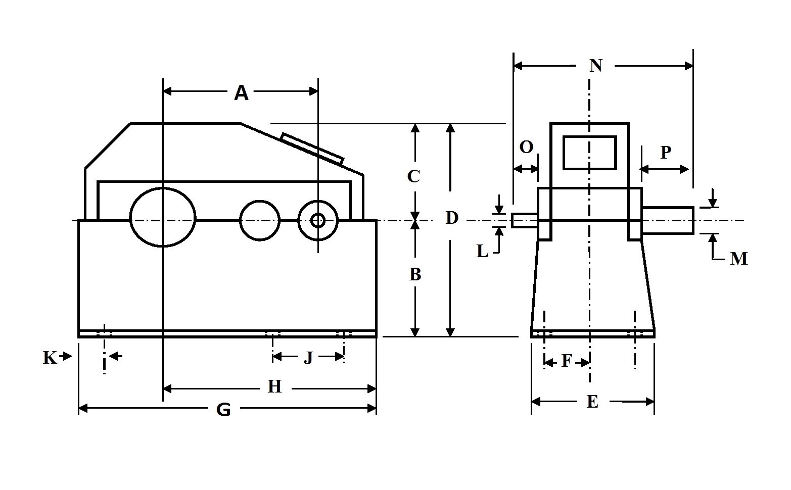
DIMENSION A N/A  
DIMENSION B 15.5  
DIMENSION C 14  
DIMENSION D 29.5  
DIMENSION E 23  
DIMENSION F 10.25  
DIMENSION G 56  
DIMENSION H 19.5  
DIMENSION J 14.5  
DIMENSION K 2.5  
DIMENSION L 3.75  
DINEMSION M 5.75  
DIMENSION N 32  
DIMENSION O 6.75  
DIMENSION P 9.75  

 

 

 

Casey logo
275 KAPPA DRIVE
PITTSBURGH, PA 15238
PHONE: (412) 963-1111
HOURS OF OPERATION: Monday – Friday
WAREHOUSE: 7:00am to 3:30pm
CORPORATE OFFICE: 7:30am to 4:00pm
Copyright © 2026 Casey Equipment Corporation