333 HP (247 KW), RPM INPUT 1750, 24.21 RATIO, RPM OUTPUT 72, WESTERN GEAR 8218 PARALLEL GEAR REDUCER / SPEED REDUCER / GEARBOX, USED

Print

20079000000 c95ee391f3e74b484602dbb260ece342553fe10a
20079000000 533bab85bab25dc132e91f3b83ca89abbdf56fa4
20079000000 0f9c30affa4ca487790e27dc632f7e9b3abe5469
20079000000 2d263f1e90771fadfd61826b5d2f9e6df95bc76b
20079000000 374203aac655c782ae6680c0e304b18f929318ea

 

 

 

 

 

20079000000

INVENTORY ID20079000000  
TITLE333 HP (247 KW), RPM INPUT 1750, 24.21 RATIO, RPM OUTPUT 72, WESTERN GEAR 8218 PARALLEL GEAR REDUCER / SPEED REDUCER / GEARBOX, USED  
NEW ARRIVAL TRUE  
HORSEPOWER 333  
RPM INPUT 1750  
RATIO 24.2:1 RATIO  
RPM OUTPUT 72  
GEARBOX SHAFT ARRANGEMENT PARALLEL  
MANUFACTURER OF EQUIPMENT WESTERN GEAR  
MODEL NUMBER 8218  
SERIAL NUMBER 3001  
REDUCTION DOUBLE  
SVC FACTOR (1.0, 1.5 ETC) 1.59  
GEAR TYPE (HERRINGBONE, WORM, ETC) HERRBONE  
BEARING TYPE ROLLER  
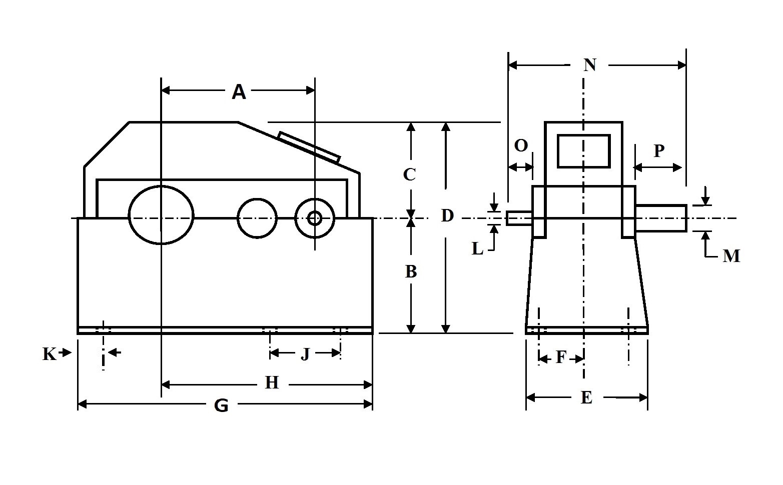
DIMENSION A 28  
DIMENSION B 26  
DIMENSION C 16.5  
DIMENSION D 42.5  
DIMENSION E 37  
DIMENSION F 17.5  
DIMENSION G 60.5  
DIMENSION H 40.5  
DIMENSION J 12  
DIMENSION K 7.5  
DINEMSION M 6.25  
DIMENSION L 2.75  
DIMENSION N 58.375  
DIMENSION O 6.75  
DIMENSION P 13.625  

 

 

 

Casey logo
275 KAPPA DRIVE
PITTSBURGH, PA 15238
PHONE: (412) 963-1111
HOURS OF OPERATION: Monday – Friday
WAREHOUSE: 7:00am to 3:30pm
CORPORATE OFFICE: 7:30am to 4:00pm
Copyright © 2026 Casey Equipment Corporation