212 HP (157 KW), RPM INPUT 1750, 24.095 RATIO, RPM OUTPUT 73, HORSBURGH & SCOTT 155-D PARALLEL GEAR REDUCER / SPEED REDUCER / GEARBOX, USED

Print

20078900000 becf31750ed976bce381293f49f72e8e6f4b4cf1
20078900000 ac5a4d4b719be3c521f4e9a9d2e7b5d65022afc2
20078900000 a14c44b006414db714e8d757f3aa7701d0225b03
20078900000 939eb8c83e550d402b4ed28d6da2b00e374e1daa
20078900000 374203aac655c782ae6680c0e304b18f929318ea

 

 

 

 

 

20078900000

INVENTORY ID20078900000  
TITLE212 HP (157 KW), RPM INPUT 1750, 24.095 RATIO, RPM OUTPUT 73, HORSBURGH & SCOTT 155-D PARALLEL GEAR REDUCER / SPEED REDUCER / GEARBOX, USED  
NEW ARRIVAL TRUE  
HORSEPOWER 212  
RPM INPUT 1750  
RATIO 24.095:1 RATIO  
RPM OUTPUT 73  
GEARBOX SHAFT ARRANGEMENT PARALLEL  
MANUFACTURER OF EQUIPMENT HORSBURGH & SCOTT  
MODEL NUMBER 155-D  
SERIAL NUMBER P-0900  
REDUCTION DOUBLE  
SVC FACTOR (1.0, 1.5 ETC) 1.88  
GEAR TYPE (HERRINGBONE, WORM, ETC) HELICAL  
BEARING TYPE ROLLER  
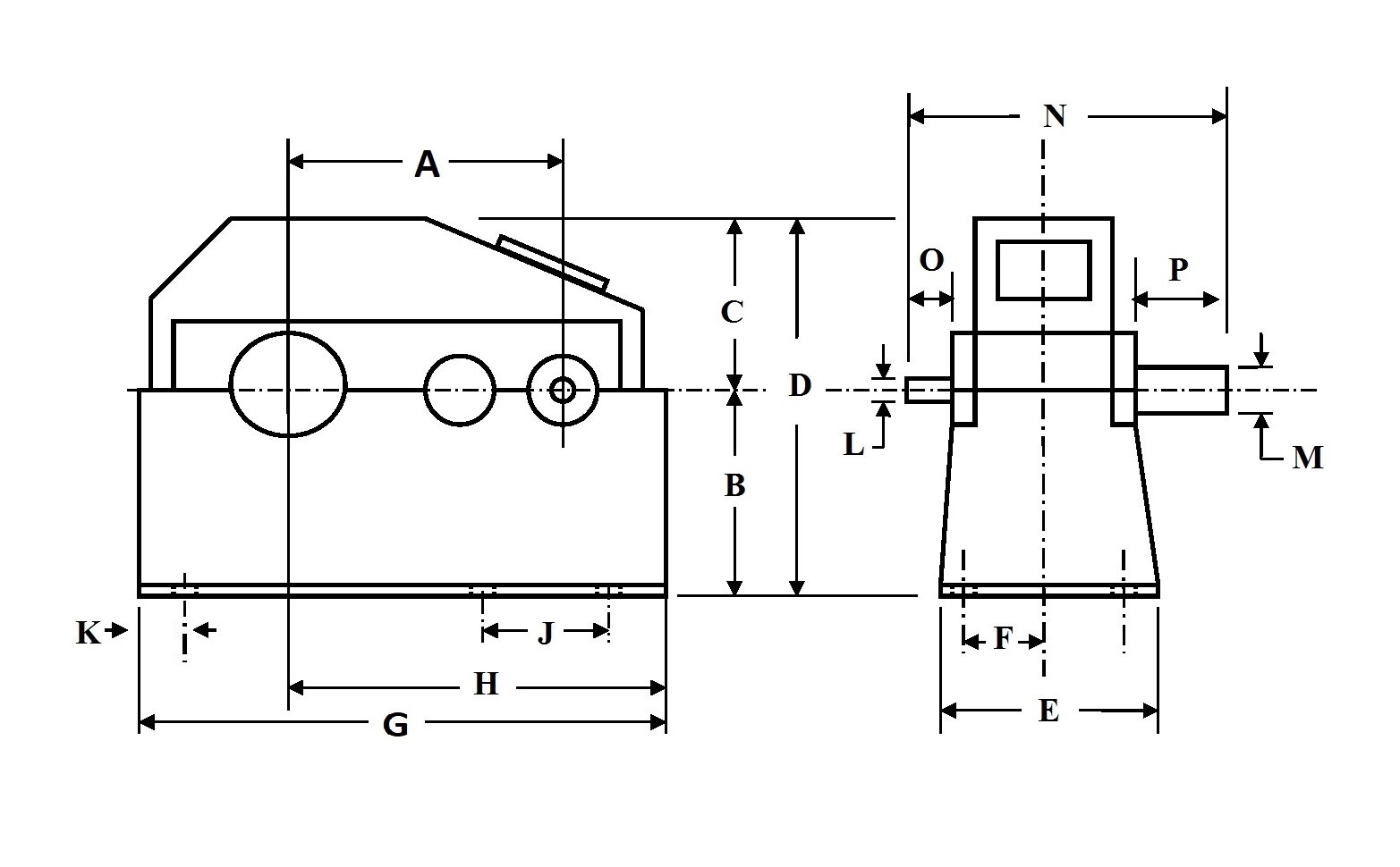
DIMENSION A 26  
DIMENSION B 24  
DIMENSION C 15.5  
DIMENSION D 40  
DIMENSION E 35.5  
DIMENSION F 16  
DIMENSION G 53.75  
DIMENSION H 36  
DIMENSION J 11.5  
DIMENSION K 7  
DIMENSION L 2.75  
DINEMSION M 6  
DIMENSION N 53.75  
DIMENSION O 11  
DIMENSION P 18  

 

 

 

Casey logo
275 KAPPA DRIVE
PITTSBURGH, PA 15238
PHONE: (412) 963-1111
HOURS OF OPERATION: Monday – Friday
WAREHOUSE: 7:00am to 3:30pm
CORPORATE OFFICE: 7:30am to 4:00pm
Copyright © 2026 Casey Equipment Corporation