371 HP (497 KW), RPM INPUT 1170, 5.045 RATIO, RPM OUTPUT 232, FALK 2135Y1 GEAR REDUCER / SPEED REDUCER / GEARBOX, USED

Print

20078600000 8393b6b7361841901901304cb1fcbbdf2473ae37
20078600000 c0a61d2197282ba2aec25be085c0728a08976fba
20078600000 2eb9a690a758e4b9f595c9ca1031cede58476d03
20078600000 ce3ccba0470740ddf4ced06c2c709b5d0e1cf66e
20078600000 374203aac655c782ae6680c0e304b18f929318ea

 

 

 

 

 

20078600000

INVENTORY ID20078600000  
TITLE371 HP (497 KW), RPM INPUT 1170, 5.045 RATIO, RPM OUTPUT 232, FALK 2135Y1 GEAR REDUCER / SPEED REDUCER / GEARBOX, USED  
NEW ARRIVAL TRUE  
HORSEPOWER 371 - 400  
RPM INPUT 1170  
RATIO 5.045:1 RATIO  
RPM OUTPUT 232  
GEARBOX SHAFT ARRANGEMENT PARALLEL  
MANUFACTURER OF EQUIPMENT FALK  
MODEL NUMBER 2135Y1  
SERIAL NUMBER 201747  
REDUCTION SINGLE  
SVC FACTOR (1.0, 1.5 ETC) 1.0 - 3.02  
GEAR TYPE (HERRINGBONE, WORM, ETC) HELICAL  
BEARING TYPE ROLLER  
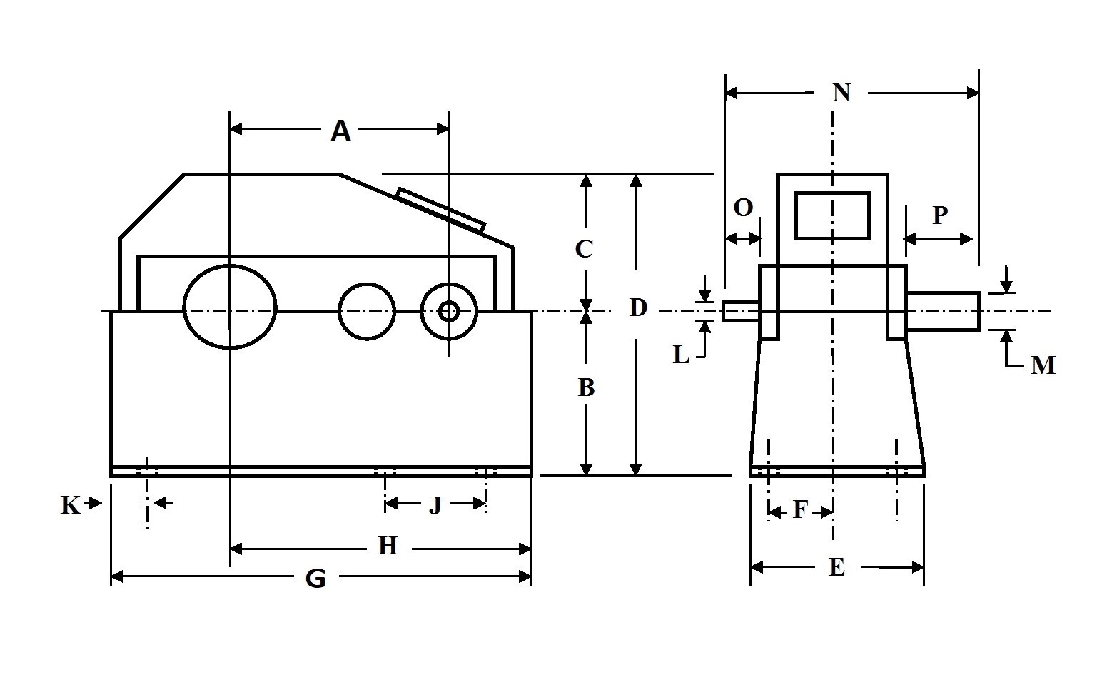
DIMENSION A 20  
DIMENSION B 20  
DIMENSION C 20  
DIMENSION D 40  
DIMENSION E 23.75  
DIMENSION F 10.25  
DIMENSION G 58  
DIMENSION H 28.5  
DIMENSION J 24.75  
DIMENSION K 4.5  
DIMENSION L 4.5  
DINEMSION M 6.5  
DIMENSION N 42.75  
DIMENSION O 6.75  
DIMENSION P 10.687  

 

 

 

Casey logo
275 KAPPA DRIVE
PITTSBURGH, PA 15238
PHONE: (412) 963-1111
HOURS OF OPERATION: Monday – Friday
WAREHOUSE: 7:00am to 3:30pm
CORPORATE OFFICE: 7:30am to 4:00pm
Copyright © 2026 Casey Equipment Corporation