100 HP (74 KW), RPM INPUT 485, 54.89 RATIO, RPM OUTPUT 9, H&S K308 GEAR REDUCER / SPEED REDUCER / GEARBOX, USED

Print

20077700000 b16516d35dd14b0e7cea52d55fa5b353f38a97fd
20077700000 374203aac655c782ae6680c0e304b18f929318ea

 

 

 

 

 

20077700000

INVENTORY ID20077700000  
TITLE100 HP (74 KW), RPM INPUT 485, 54.89 RATIO, RPM OUTPUT 9, H&S K308 GEAR REDUCER / SPEED REDUCER / GEARBOX, USED  
NEW ARRIVAL TRUE  
HORSEPOWER 100  
RPM INPUT 485  
RATIO 54.89:1 RATIO  
RPM OUTPUT 9  
GEARBOX SHAFT ARRANGEMENT PARALLEL  
MANUFACTURER OF EQUIPMENT H&S  
MODEL NUMBER K-308  
SERIAL NUMBER N-5879  
REDUCTION TRIPLE  
SVC FACTOR (1.0, 1.5 ETC) 1  
GEAR TYPE (HERRINGBONE, WORM, ETC) HELICAL  
BEARING TYPE ROLLER  
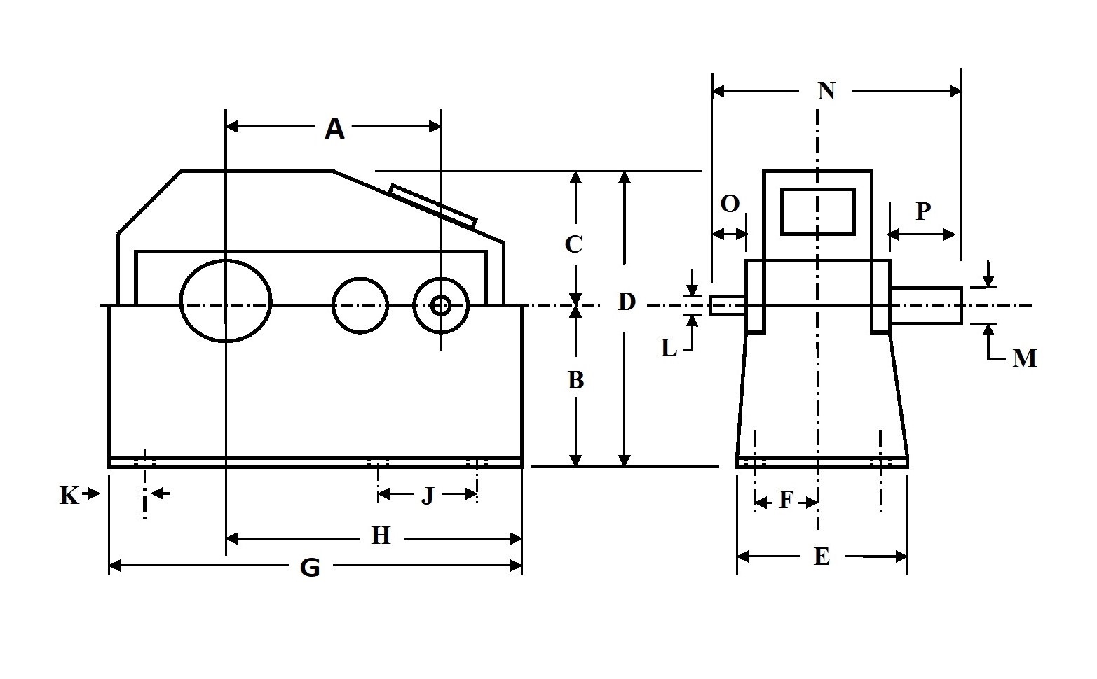
DIMENSION A 37.125  
DIMENSION B 28  
DIMENSION C 25  
DIMENSION D 52.75  
DIMENSION E 34  
DIMENSION F 14.875  
DIMENSION G 69.75  
DIMENSION H 47  
DIMENSION J 24.75  
DIMENSION K 4.5  
DIMENSION L 2.875  
DINEMSION M 9.75  
DIMENSION N 63  
DIMENSION O 8  
DIMENSION P 13.563  

 

 

 

Casey logo
275 KAPPA DRIVE
PITTSBURGH, PA 15238
PHONE: (412) 963-1111
HOURS OF OPERATION: Monday – Friday
WAREHOUSE: 7:00am to 3:30pm
CORPORATE OFFICE: 7:30am to 4:00pm
Copyright © 2026 Casey Equipment Corporation