30 HP (22 KW), RPM INPUT 650, 18.275 RATIO, RPM OUTPUT 36, H&S 120-D PARALLEL GEAR REDUCER / SPEED REDUCER / GEARBOX, USED

Print

20056600000 4677c6f226794d4ebccf4c3712ad115be0c3498e
20056600000 4bcc96666746b084e63993d2daddd5222243896c
20056600000 ad094fedffd83e48fd0b4847a0b53e3c6fc60ee8
20056600000 6d6c589e0082ee26d9cf53841374bb8bf5ccb6fa
20056600000 4c391ac8862f9922a7c37c7b131b5370e1bf992e
[ Delete Photo ]
20056600000 374203aac655c782ae6680c0e304b18f929318ea

 

 

 

 

 

20056600000

INVENTORY ID20056600000  
TITLE30 HP (22 KW), RPM INPUT 650, 18.275 RATIO, RPM OUTPUT 36, H&S 120-D PARALLEL GEAR REDUCER / SPEED REDUCER / GEARBOX, USED  
HORSEPOWER 30  
RPM INPUT 650  
RATIO 18.275:1 RATIO  
RPM OUTPUT 36  
GEARBOX SHAFT ARRANGEMENT PARALLEL  
MANUFACTURER OF EQUIPMENT HORSBURGH & SCOTT  
YEAR OF MANUFACTURE 1987  
MODEL NUMBER 120-D  
SERIAL NUMBER P-2001  
REDUCTION DOUBLE  
SVC FACTOR (1.0, 1.5 ETC) 2.63  
BEARING TYPE ROLLER  
PREVIOUS USE HSM COILBOX  
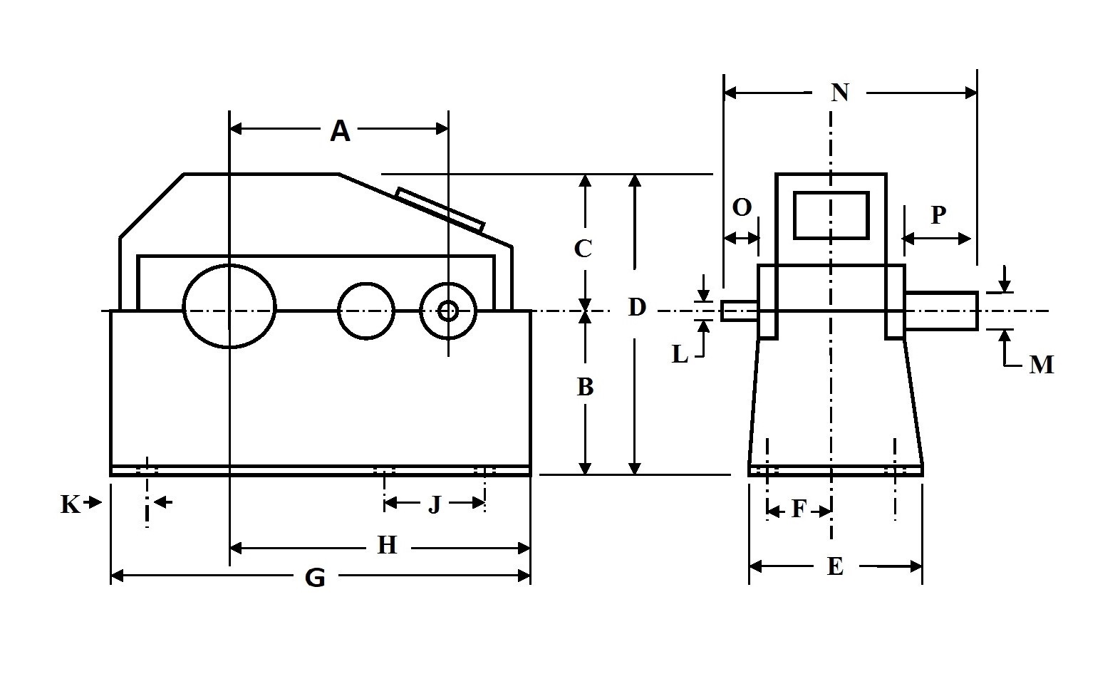
DIMENSION A 20  
DIMENSION B 13  
DIMENSION C 12  
DIMENSION D 25  
DIMENSION E 21  
DIMENSION F 8  
DIMENSION G 32.25  
DIMENSION H 24.25  
DIMENSION J 13.5  
DIMENSION K 2.5  
DIMENSION L 2.5  
DINEMSION M 4.625  
DIMENSION N 32.5  
DIMENSION O 5  
DIMENSION P 8  

 

 

 

Casey logo
275 KAPPA DRIVE
PITTSBURGH, PA 15238
PHONE: (412) 963-1111
HOURS OF OPERATION: Monday – Friday
WAREHOUSE: 7:00am to 3:30pm
CORPORATE OFFICE: 7:30am to 4:00pm
Copyright © 2026 Casey Equipment Corporation