125 HP (93 KW), RPM INPUT 1750/850, 13.56 RATIO, RPM OUTPUT 129/63, BRAD FOOTE GEAR REDUCER / SPEED REDUCER / GEARBOX, USED

Print

20039800000 783bfc49d66fff17863430e9208f6e5bd7f8dc31
20039800000 9446aac28d180fc4561c26c5aa12b96a70055cd8
20039800000 8cfba4878a4326461913ae335669c7b6c9ccac47
20039800000 374203aac655c782ae6680c0e304b18f929318ea

 

 

 

 

 

20039800000

INVENTORY ID20039800000  
TITLE125 HP (93 KW), RPM INPUT 1750/850, 13.56 RATIO, RPM OUTPUT 129/63, BRAD FOOTE GEAR REDUCER / SPEED REDUCER / GEARBOX, USED  
HORSEPOWER 125  
RPM INPUT 1750/850  
RATIO 13.56:1 RATIO  
RPM OUTPUT 129/63  
GEARBOX SHAFT ARRANGEMENT PARALLEL  
MANUFACTURER OF EQUIPMENT BRAD FOOTE GEAR WORKS  
YEAR OF MANUFACTURE 12/11/85  
SERIAL NUMBER F-8240  
REDUCTION DOUBLE  
SVC FACTOR (1.0, 1.5 ETC) 1.67  
GEAR TYPE (HERRINGBONE, WORM, ETC) HELICAL  
BEARING TYPE ROLLER  
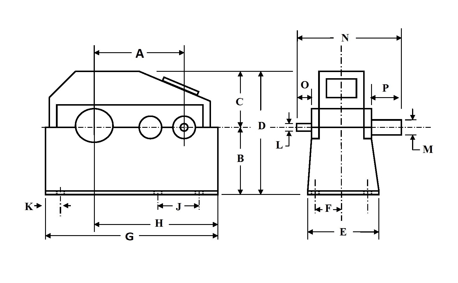
DIMENSION A 26  
DIMENSION B 16.75  
DIMENSION C 14.25  
DIMENSION D 31.5  
DIMENSION E 25.5  
DIMENSION F 11.125  
DIMENSION G 49  
DIMENSION H 41  
DIMENSION J 16.875  
DIMENSION K 6.75  
DIMENSION L 2.8125  
DINEMSION M 6.1875  
DIMENSION N 40.5  
DIMENSION O 9  
DIMENSION P 12.5  

 

 

 

Casey logo
275 KAPPA DRIVE
PITTSBURGH, PA 15238
PHONE: (412) 963-1111
HOURS OF OPERATION: Monday – Friday
WAREHOUSE: 7:00am to 3:30pm
CORPORATE OFFICE: 7:30am to 4:00pm
Copyright © 2026 Casey Equipment Corporation