101 HP (75 KW), RPM INPUT 685, 63.62 RATIO, RPM OUTPUT 7.6, H&S LBD-6000 RIGHT ANGLE GEAR REDUCER / SPEED REDUCER / GEARBOX, USED

Print

20038300000 96462e4bedcdf0b46a8f9695daa5f522d2753072
20038300000 e487bef6ae78558cbb0e87e5760d03dbaa11538f
20038300000 62f9927c2dc17566a5ebf0124ded15f95bc1e284
20038300000 0281d2484d4d18186f8730cdd9a5b7d9e7bda520
[ Delete Photo ]
20038300000 374203aac655c782ae6680c0e304b18f929318ea

 

 

 

 

 

20038300000

INVENTORY ID20038300000  
TITLE101 HP (75 KW), RPM INPUT 685, 63.62 RATIO, RPM OUTPUT 7.6, H&S LBD-6000 RIGHT ANGLE GEAR REDUCER / SPEED REDUCER / GEARBOX, USED  
HORSEPOWER 101  
RPM INPUT 485  
RATIO 63.62:1 RATIO  
RPM OUTPUT 7.6  
GEARBOX SHAFT ARRANGEMENT RIGHTANGLE  
MANUFACTURER OF EQUIPMENT HORSBURGH - SCOTT  
MODEL NUMBER LBD-6000  
SERIAL NUMBER K2321  
REDUCTION TRIPLE  
SVC FACTOR (1.0, 1.5 ETC) 1.0  
GEAR TYPE (HERRINGBONE, WORM, ETC) HELICAL  
BEARING TYPE ROLLER  
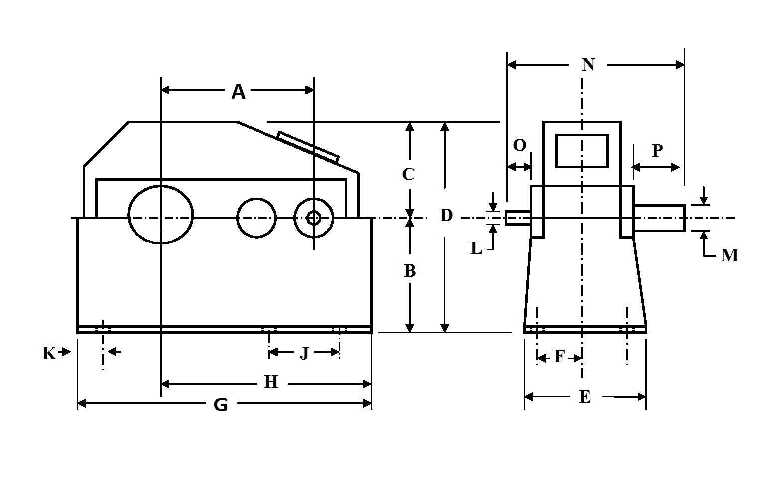
DIMENSION A 48  
DIMENSION B 34.25  
DIMENSION C 29.75  
DIMENSION D 64  
DIMENSION E 40  
DIMENSION F 17.5  
DIMENSION G 89  
DIMENSION H 56.5  
DIMENSION J 27  
DIMENSION K 5  
DIMENSION L 3  
DINEMSION M 9  
DIMENSION N 56  
DIMENSION O 7.75  
DIMENSION P 16.5  

 

 

 

Casey logo
275 KAPPA DRIVE
PITTSBURGH, PA 15238
PHONE: (412) 963-1111
HOURS OF OPERATION: Monday – Friday
WAREHOUSE: 7:00am to 3:30pm
CORPORATE OFFICE: 7:30am to 4:00pm
Copyright © 2026 Casey Equipment Corporation