268 HP (200 KW) PITTSBURGH GEAR KD250FF GEAR REDUCER / SPEED REDUCER / GEARBOX USED

Print

20030500400 77b6f4ff1031755a3e701e64b953fc5808f6d2b4
20030500400 87a0f35993eed7aa767d4fc1b710a5088f430e59
20030500400 c0652cb384b840906f8041d0615a16968296df30
20030500400 374203aac655c782ae6680c0e304b18f929318ea

 

 

 

 

 

20030500400

INVENTORY ID20030500400  
TITLE268 HP (200 KW) PITTSBURGH GEAR KD250FF GEAR REDUCER / SPEED REDUCER / GEARBOX USED  
HORSEPOWER 268  
RPM INPUT 1750  
RATIO 14.4223:1 RATIO  
GEARBOX SHAFT ARRANGEMENT PARALLEL  
MANUFACTURER OF EQUIPMENT PITTSBURGH GEAR  
YEAR OF MANUFACTURE 1999  
MODEL NUMBER KD250FF  
SERIAL NUMBER 92699  
REDUCTION DOUBLE  
SVC FACTOR (1.0, 1.5 ETC) 1.89  
GEAR TYPE (HERRINGBONE, WORM, ETC) HELICAL  
BEARING TYPE ROLLER  
PREVIOUS USE BRIDAL ROLL  
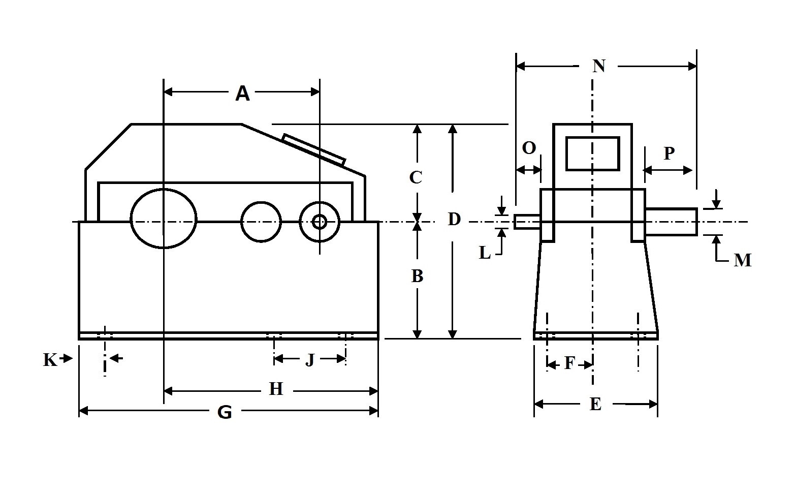
DIMENSION A 17.5  
DIMENSION B 12.5  
DIMENSION C 9  
DIMENSION D 20.5  
DIMENSION E 17  
DIMENSION F 6.5  
DIMENSION G 38.5  
DIMENSION H 24  
DIMENSION J 13.5  
DIMENSION K 3.75  
DIMENSION L 3.75  
DINEMSION M 4.25  
DIMENSION N 32  
DIMENSION O 4.25  
DIMENSION P 10.75  

 

 

 

Casey logo
275 KAPPA DRIVE
PITTSBURGH, PA 15238
PHONE: (412) 963-1111
HOURS OF OPERATION: Monday – Friday
WAREHOUSE: 7:00am to 3:30pm
CORPORATE OFFICE: 7:30am to 4:00pm
Copyright © 2026 Casey Equipment Corporation