563 HP (420 KW), RPM INPUT 1750, 14.4151 RATIO, RPM OUTPUT 122, PITTSBURGH GEAR KD330FF GEAR REDUCER / SPEED REDUCER / GEARBOX, USED

Print

20030500300 e28ed03dc2d43034e12f51d44b2e4529f026598c
20030500300 88489f7d87a5ff59ebbb8ae2015af6b42c76ad00
20030500300 d11c2ead5066aff5f96dd4454465973619e40210
20030500300 374203aac655c782ae6680c0e304b18f929318ea

 

 

 

 

 

20030500300

INVENTORY ID20030500300  
TITLE563 HP (420 KW), RPM INPUT 1750, 14.4151 RATIO, RPM OUTPUT 122, PITTSBURGH GEAR KD330FF GEAR REDUCER / SPEED REDUCER / GEARBOX, USED  
HORSEPOWER 563  
RPM INPUT 1750  
RATIO 14.4151:1 RATIO  
RPM OUTPUT 122  
GEARBOX SHAFT ARRANGEMENT PARALLEL  
MANUFACTURER OF EQUIPMENT PITTSBURGH GEAR  
YEAR OF MANUFACTURE 1999  
MODEL NUMBER KD330FF  
SERIAL NUMBER 92700  
REDUCTION DOUBLE  
SVC FACTOR (1.0, 1.5 ETC) 2.02  
GEAR TYPE (HERRINGBONE, WORM, ETC) HELICAL  
BEARING TYPE ROLLER  
PREVIOUS USE BRIDLE ROLL  
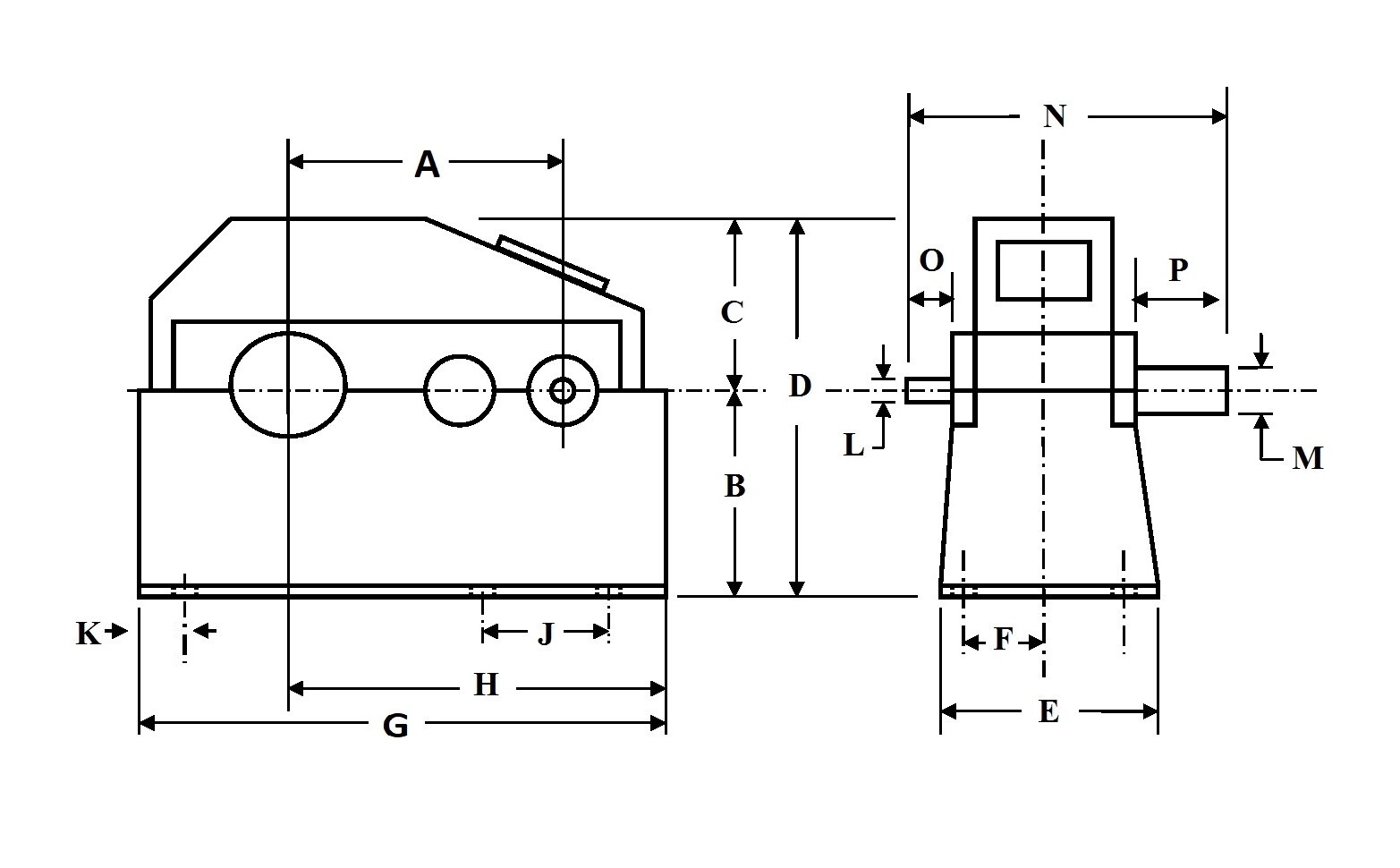
DIMENSION A 22.5  
DIMENSION B 17.5  
DIMENSION C 12  
DIMENSION D 29.5  
DIMENSION E 23.5  
DIMENSION F 8.5  
DIMENSION G 54.125  
DIMENSION H 31  
DIMENSION J 16  
DIMENSION K 8.5  
DIMENSION L 3.5  
DINEMSION M 6.25  
DIMENSION N 41  
DIMENSION O 4.25  
DIMENSION P 11.5  

 

 

 

Casey logo
275 KAPPA DRIVE
PITTSBURGH, PA 15238
PHONE: (412) 963-1111
HOURS OF OPERATION: Monday – Friday
WAREHOUSE: 7:00am to 3:30pm
CORPORATE OFFICE: 7:30am to 4:00pm
Copyright © 2026 Casey Equipment Corporation