200 HP (148 KW) NUTTALL 90R55386 CAT NO. WT16 USED GEAR REDUCER / SPEED REDUCER / GEARBOX USED

Print

20016455034 393123eec731af2e33f09da65c18e523d35f7b03
20016455034 d0ee6beca9d3f91e76051199e6d6ea2ad7d838fe
20016455034 f962c9f486ea5f05aeacfb773701b53df7565f4c
20016455034 8e543bcc37c6a03f4fbfdebac9cace15ddcaca81
20016455034 7b072136039d74012e34365367a014b819485098
[ Delete Photo ]
20016455034 374203aac655c782ae6680c0e304b18f929318ea

 

 

 

 

 

20016455034

INVENTORY ID20016455034  
TITLE200 HP (148 KW) NUTTALL 90R55386 CAT NO. WT16 USED GEAR REDUCER / SPEED REDUCER / GEARBOX USED  
HORSEPOWER 200  
RPM INPUT 1170  
RATIO 42.819:1 RATIO  
RPM OUTPUT 45.5  
GEARBOX SHAFT ARRANGEMENT PARALLEL  
MANUFACTURER OF EQUIPMENT NUTTALL GEAR CORP.  
YEAR OF MANUFACTURE 1990  
MODEL NUMBER 90R55386  
SERIAL NUMBER 9012-2  
MFG SIZE REFERENCE CATALOG NO. WT16  
REDUCTION TRIPLE  
SVC FACTOR (1.0, 1.5 ETC) 1  
GEAR TYPE (HERRINGBONE, WORM, ETC) HELICAL  
BEARING TYPE ROLLER  
PREVIOUS USE BRIDLE ROLL DRIVE  
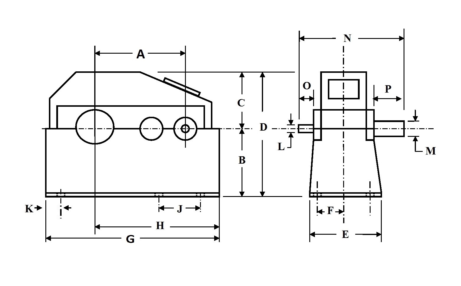
DIMENSION A 27.125  
DIMENSION B 16.5  
DIMENSION C 16.5  
DIMENSION D 33  
DIMENSION E 28.5  
DIMENSION F 14.5  
DIMENSION G 56  
DIMENSION H 35.75  
DIMENSION J 21.75  
DIMENSION K 6  
DIMENSION L 2.125  
DINEMSION M 5.5  
DIMENSION N 41.375  
DIMENSION O 3.75  
DIMENSION P 9.5  

 

 

 

Casey logo
275 KAPPA DRIVE
PITTSBURGH, PA 15238
PHONE: (412) 963-1111
HOURS OF OPERATION: Monday – Friday
WAREHOUSE: 7:00am to 3:30pm
CORPORATE OFFICE: 7:30am to 4:00pm
Copyright © 2026 Casey Equipment Corporation