300 HP (222 KW) NUTTALL 90R55387 CATALOG NO. WT 18 GEAR REDUCER / SPEED REDUCER / GEARBOX USED

Print

20016455032 f615a92bc3f984257bd2c88038c367f093e4c66b
20016455032 04b6bcd7e8c15deda486dbf2c3672e510d110ea3
20016455032 48f3d8b850939e86650ff8ca63d8d6c60d4e7c11
20016455032 41491f02373aa296b3022fa2537073291fcd2228
20016455032 0c0428e8896de021872bf7cc1eaa4f2264d97159
[ Delete Photo ]
20016455032 374203aac655c782ae6680c0e304b18f929318ea

 

 

 

 

 

20016455032

INVENTORY ID20016455032  
TITLE300 HP (222 KW) NUTTALL 90R55387 CATALOG NO. WT 18 GEAR REDUCER / SPEED REDUCER / GEARBOX USED  
HORSEPOWER 300  
RPM INPUT 1170  
RATIO 42.182:1 RATIO  
RPM OUTPUT 45.5  
GEARBOX SHAFT ARRANGEMENT PARALLEL  
MANUFACTURER OF EQUIPMENT NUTTALL GEAR CORP.  
YEAR OF MANUFACTURE 1990  
MODEL NUMBER 90R55387  
SERIAL NUMBER 9201  
MFG SIZE REFERENCE CATALOG NO. WT18  
REDUCTION TRIPLE  
SVC FACTOR (1.0, 1.5 ETC) 1  
GEAR TYPE (HERRINGBONE, WORM, ETC) HELICAL  
BEARING TYPE ROLLER  
PREVIOUS USE BRIDLE ROLL DRIVE  
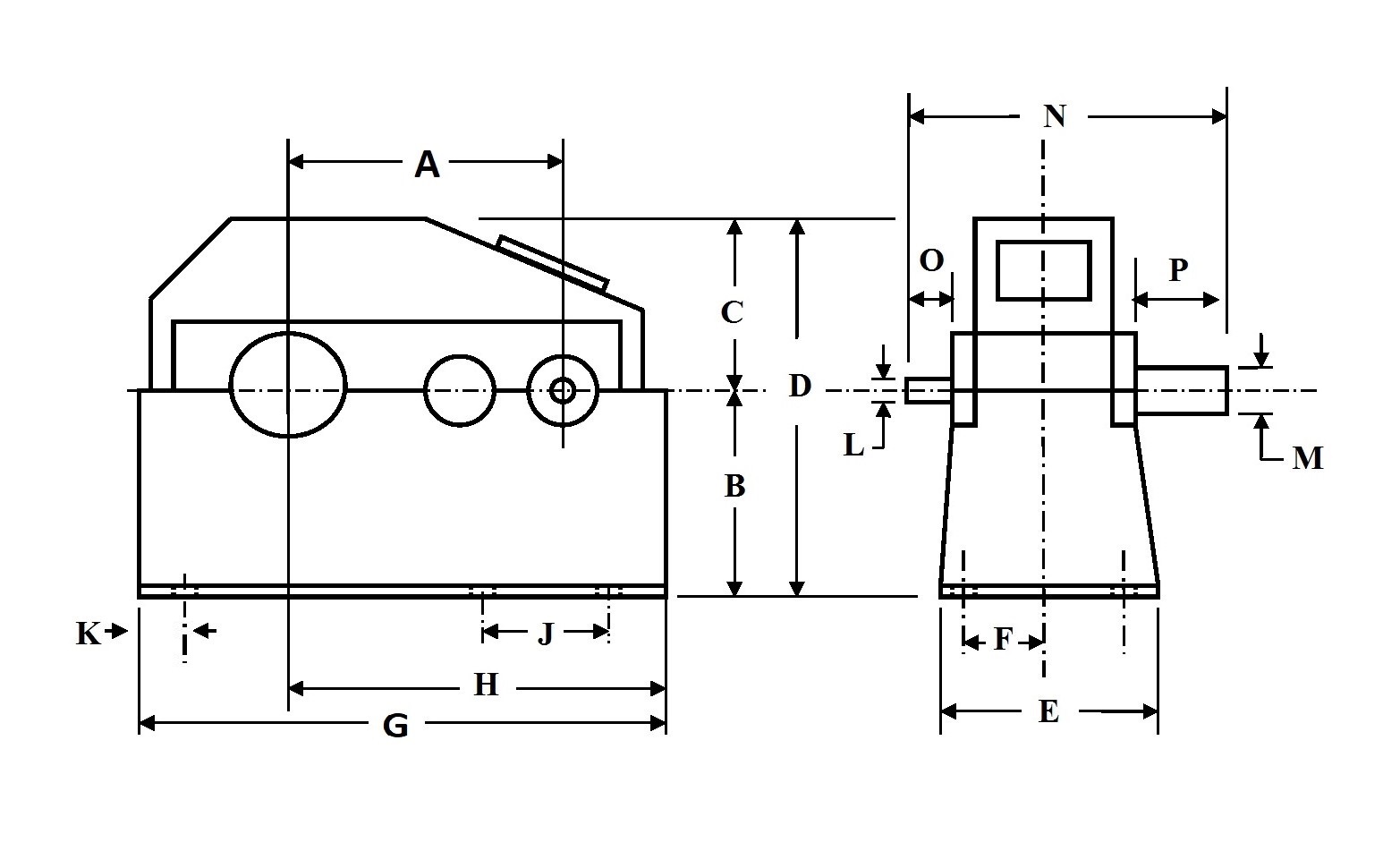
DIMENSION A 29  
DIMENSION B 18  
DIMENSION C 17.25  
DIMENSION D 35.25  
DIMENSION E 29  
DIMENSION F 12.75  
DIMENSION G 58  
DIMENSION H 38  
DIMENSION J 23.25  
DIMENSION K 6  
DIMENSION L 2.125  
DINEMSION M 6  
DIMENSION N 42.75  
DIMENSION O 6.125  
DIMENSION P 12.5  

 

 

 

Casey logo
275 KAPPA DRIVE
PITTSBURGH, PA 15238
PHONE: (412) 963-1111
HOURS OF OPERATION: Monday – Friday
WAREHOUSE: 7:00am to 3:30pm
CORPORATE OFFICE: 7:30am to 4:00pm
Copyright © 2026 Casey Equipment Corporation