200 HP (148 KW), RPM INPUT 1750/2000, 42.819 RATIO, RPM OUTPUT 41/47, NUTTALL 90R55386 CAT NO. WT16 USED GEAR REDUCER / SPEED REDUCER / GEARBOX, USED

Print

20016455011 2f0f5fab6b4c85b77b16ff35d5d17e9b81c03ffe
20016455011 13050a665ed8d278330a56d74e8e0b6747898121
20016455011 a03cac4aae56ecbfe2dd954eeb6b2ee70980ad39
20016455011 131f07c9d066765dbd8d07b95c416eb4dbf13134
20016455011 d3c1c891edc10be836b99faa2e5186ab8f04e2a5
[ Delete Photo ]
20016455011 374203aac655c782ae6680c0e304b18f929318ea

 

 

 

 

 

20016455011

INVENTORY ID20016455011  
TITLE200 HP (148 KW), RPM INPUT 1750/2000, 42.819 RATIO, RPM OUTPUT 41/47, NUTTALL 90R55386 CAT NO. WT16 USED GEAR REDUCER / SPEED REDUCER / GEARBOX, USED  
HORSEPOWER 200  
RPM INPUT 1750/2000  
RATIO 42.819:1 RATIO  
RPM OUTPUT 45.5  
GEARBOX SHAFT ARRANGEMENT PARALLEL  
MANUFACTURER OF EQUIPMENT NUTTALL GEAR CORP.  
YEAR OF MANUFACTURE 1990  
MODEL NUMBER 90R55386  
SERIAL NUMBER 9012-2  
MFG SIZE REFERENCE CATALOG NO. WT16  
REDUCTION TRIPLE  
SVC FACTOR (1.0, 1.5 ETC) 1.58  
GEAR TYPE (HERRINGBONE, WORM, ETC) HELICAL  
BEARING TYPE ROLLER  
PREVIOUS USE BRIDLE ROLL DRIVE  
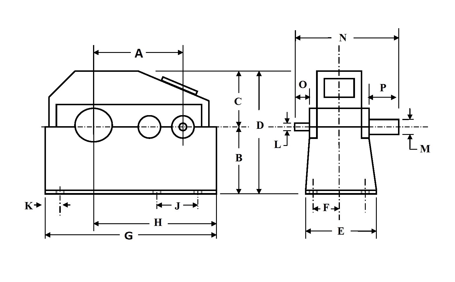
DIMENSION A 27.125  
DIMENSION B 16.5  
DIMENSION C 16.5  
DIMENSION D 33  
DIMENSION E 28.5  
DIMENSION F 14.5  
DIMENSION G 56  
DIMENSION H 35.75  
DIMENSION J 21.75  
DIMENSION K 6  
DIMENSION L 2.125  
DINEMSION M 5.5  
DIMENSION N 41.375  
DIMENSION O 3.75  
DIMENSION P 9.5  

 

 

 

Casey logo
275 KAPPA DRIVE
PITTSBURGH, PA 15238
PHONE: (412) 963-1111
HOURS OF OPERATION: Monday – Friday
WAREHOUSE: 7:00am to 3:30pm
CORPORATE OFFICE: 7:30am to 4:00pm
Copyright © 2026 Casey Equipment Corporation