100 HP (74 KW), RPM INPUT 1750/2000, 41.874 RATIO, RPM OUTPUT 42/48, NUTTALL 90R55385 GEAR REDUCER / SPEED REDUCER / GEARBOX, USED

Print

20016455009 a5f4c0cdf6397563ea0056fcd24a205344aa0ba0
20016455009 28eafeb5d0377500b71be164cecdf7a37122acad
20016455009 f815f5db57b745427f56a4cf25505a0cdad2d86f
20016455009 e67692f05bb6a5be10cd3a948c0ed81f3c11ff64
20016455009 bb66b8c968bfeec14c060821197577ab54207b2d
[ Delete Photo ]
20016455009 374203aac655c782ae6680c0e304b18f929318ea

 

 

 

 

 

20016455009

INVENTORY ID20016455009  
TITLE100 HP (74 KW), RPM INPUT 1750/2000, 41.874 RATIO, RPM OUTPUT 42/48, NUTTALL 90R55385 GEAR REDUCER / SPEED REDUCER / GEARBOX, USED  
HORSEPOWER 250  
RPM INPUT 1750/2000  
RATIO 42.182:1 RATIO  
RPM OUTPUT 45.5  
GEARBOX SHAFT ARRANGEMENT PARALLEL  
MANUFACTURER OF EQUIPMENT NUTTALL GEAR CORP.  
YEAR OF MANUFACTURE 1990  
MODEL NUMBER 90R55387  
SERIAL NUMBER 9201  
MFG SIZE REFERENCE CATALOG NO. WT18  
REDUCTION TRIPLE  
SVC FACTOR (1.0, 1.5 ETC) 1.64  
GEAR TYPE (HERRINGBONE, WORM, ETC) HELICAL  
BEARING TYPE ROLLER  
PREVIOUS USE BRIDLE ROLL DRIVE  
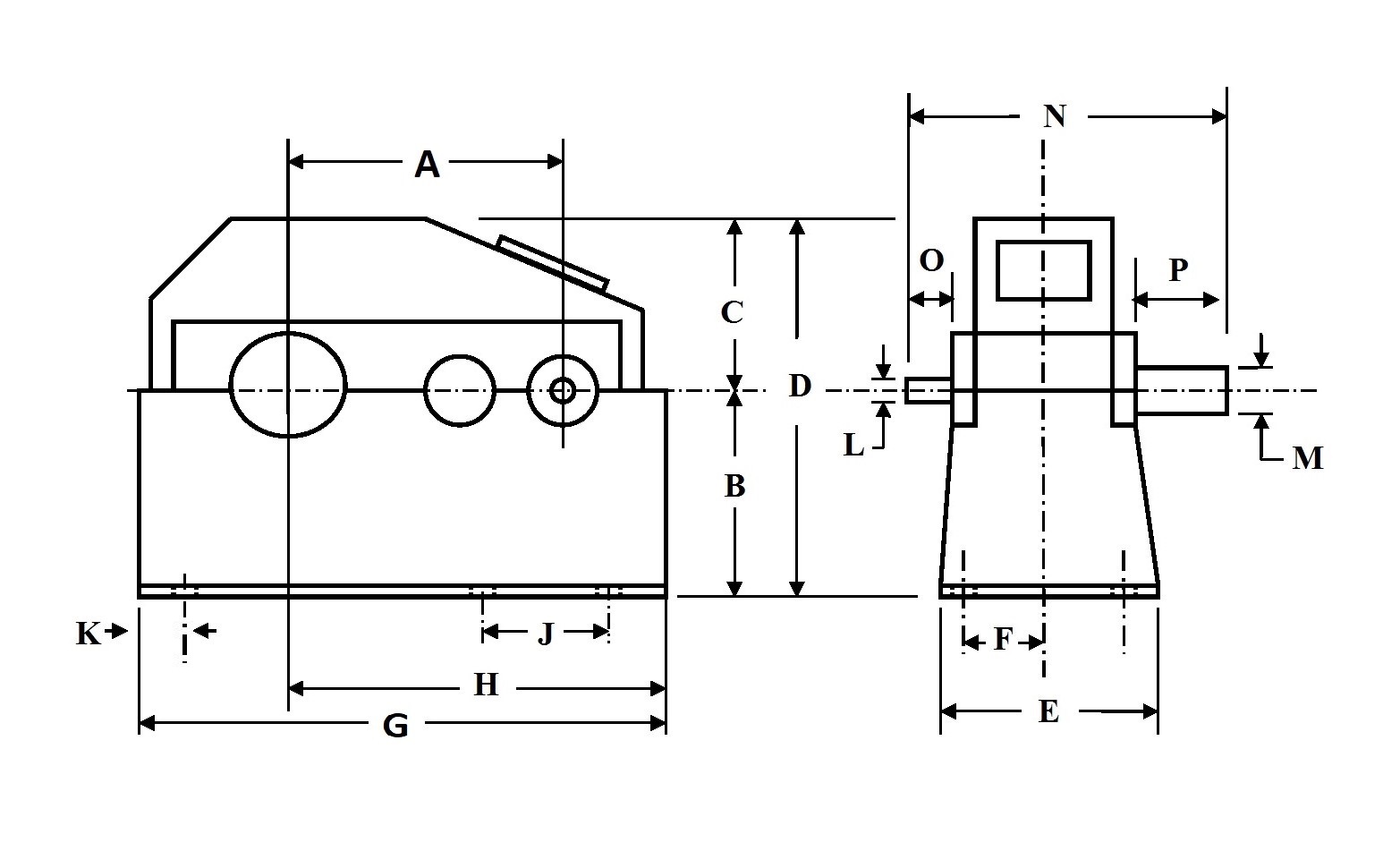
DIMENSION A 29  
DIMENSION B 18  
DIMENSION C 17.25  
DIMENSION D 35.25  
DIMENSION E 29  
DIMENSION F 12.75  
DIMENSION G 58  
DIMENSION H 38  
DIMENSION J 23.25  
DIMENSION K 6  
DIMENSION L 2.125  
DINEMSION M 6  
DIMENSION N 42.75  
DIMENSION O 6.125  
DIMENSION P 12.5  

 

 

 

Casey logo
275 KAPPA DRIVE
PITTSBURGH, PA 15238
PHONE: (412) 963-1111
HOURS OF OPERATION: Monday – Friday
WAREHOUSE: 7:00am to 3:30pm
CORPORATE OFFICE: 7:30am to 4:00pm
Copyright © 2026 Casey Equipment Corporation