100 HP (74 KW), RPM INPUT 1750/2000, 41.874 RATIO, RPM OUTPUT 42/48, NUTTALL 90R55385 GEAR REDUCER / SPEED REDUCER / GEARBOX, USED

Print

20016455007 3c4d7825f280d3367acfd340129a165f99ef224b
20016455007 3f7a8c5588142d5583ab6b30de4a19ef666fa77d
20016455007 e82619b829934372dbb31f53a6928014572fea97
20016455007 da80d2101e9cf43e980cfdb7c1fca65f77abf00e
20016455007 374203aac655c782ae6680c0e304b18f929318ea

 

 

 

 

 

20016455007

INVENTORY ID20016455007  
TITLE100 HP (74 KW), RPM INPUT 1750/2000, 41.874 RATIO, RPM OUTPUT 42/48, NUTTALL 90R55385 GEAR REDUCER / SPEED REDUCER / GEARBOX, USED  
HORSEPOWER 100  
RPM INPUT 1750/2000  
RATIO 41.874:1 RATIO  
RPM OUTPUT 45.5  
GEARBOX SHAFT ARRANGEMENT PARALLEL  
MANUFACTURER OF EQUIPMENT NUTTALL GEAR CORP.  
YEAR OF MANUFACTURE 1990  
MODEL NUMBER 90R55385  
SERIAL NUMBER 9011  
REDUCTION TRIPLE  
SVC FACTOR (1.0, 1.5 ETC) 1.5  
GEAR TYPE (HERRINGBONE, WORM, ETC) HELICAL  
BEARING TYPE ROLLER  
PREVIOUS USE BRIDLE ROLL DRIVE  
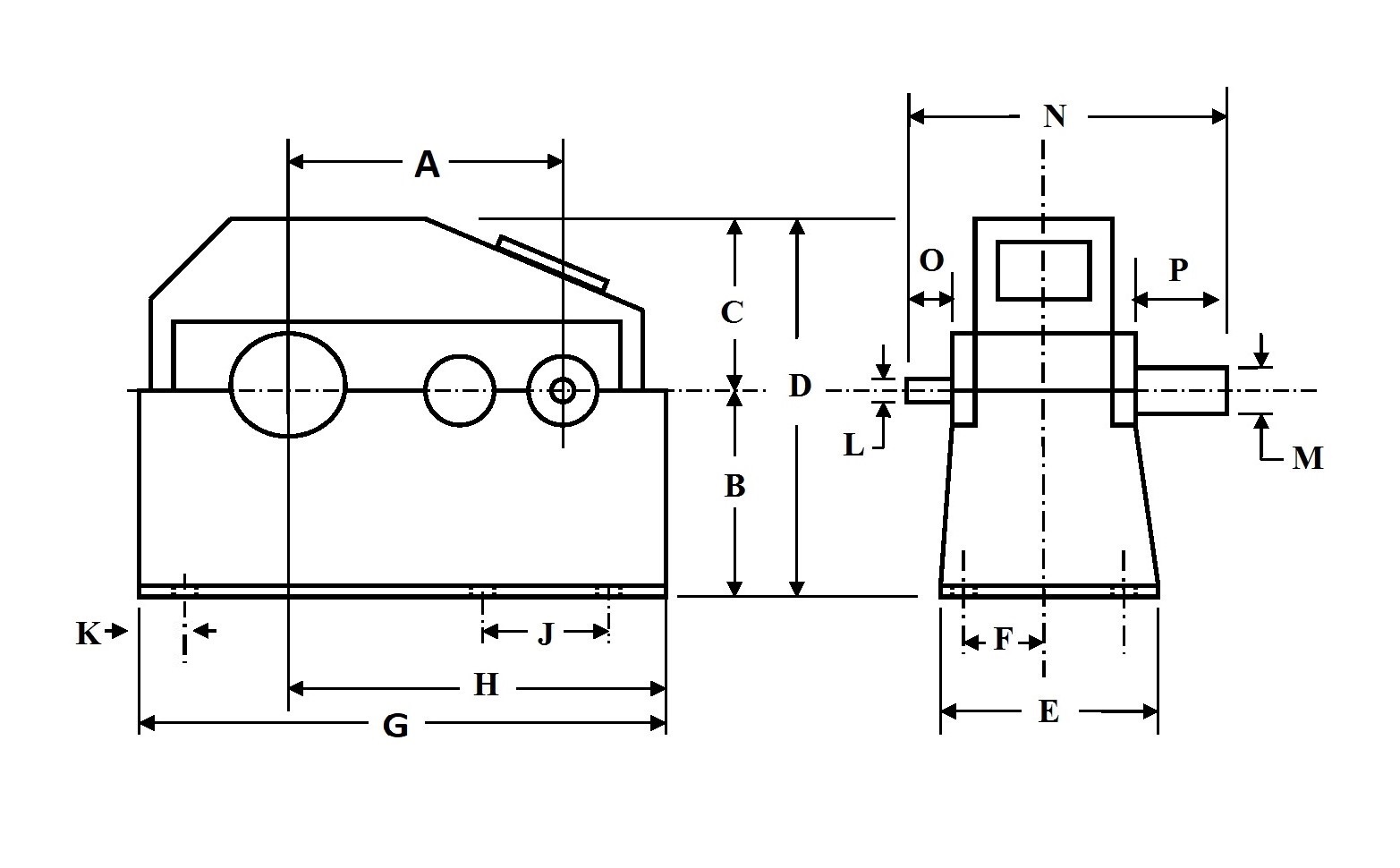
DIMENSION A 21  
DIMENSION B 12.5  
DIMENSION C 12.375  
DIMENSION D 25  
DIMENSION E 23  
DIMENSION F 10.25  
DIMENSION G 43.75  
DIMENSION H 27.75  
DIMENSION J 16.25  
DIMENSION K 5  
DIMENSION L 1.625  
DINEMSION M 4.75  
DIMENSION N 36  
DIMENSION O 4  
DIMENSION P 8.75  

 

 

 

Casey logo
275 KAPPA DRIVE
PITTSBURGH, PA 15238
PHONE: (412) 963-1111
HOURS OF OPERATION: Monday – Friday
WAREHOUSE: 7:00am to 3:30pm
CORPORATE OFFICE: 7:30am to 4:00pm
Copyright © 2026 Casey Equipment Corporation