600 HP (445 KW), RPM INPUT 780/1150, 1.82 RATIO, RPM OUTPUT 428/631, BRAD FOOTE GEAR REDUCER/SPEED REDUCER/GEARBOX, USED

Print

20002310100 216ebd44ca6bc4e53e27cc5286f1be5de9ee0d2e
20002310100 2b770d45a89326c4730c1e5a72f37d695c0d6d22
[ Delete Photo ]
20002310100 374203aac655c782ae6680c0e304b18f929318ea

 

 

 

 

 

20002310100

INVENTORY ID20002310100  
TITLE600 HP (445 KW), RPM INPUT 780/1150, 1.82 RATIO, RPM OUTPUT 428/631, BRAD FOOTE GEAR REDUCER/SPEED REDUCER/GEARBOX, USED  
HORSEPOWER 600  
RPM INPUT 780-1150  
RATIO 1.82 RATIO  
GEARBOX SHAFT ARRANGEMENT RIGHTANGLE  
MANUFACTURER OF EQUIPMENT BRAD FOOTE  
YEAR OF MANUFACTURE 1997  
MODEL NUMBER 1RH150  
SERIAL NUMBER DO536  
REDUCTION SINGLE  
SVC FACTOR (1.0, 1.5 ETC) 1.75  
GEAR TYPE (HERRINGBONE, WORM, ETC) HELICAL  
BEARING TYPE ROLLER  
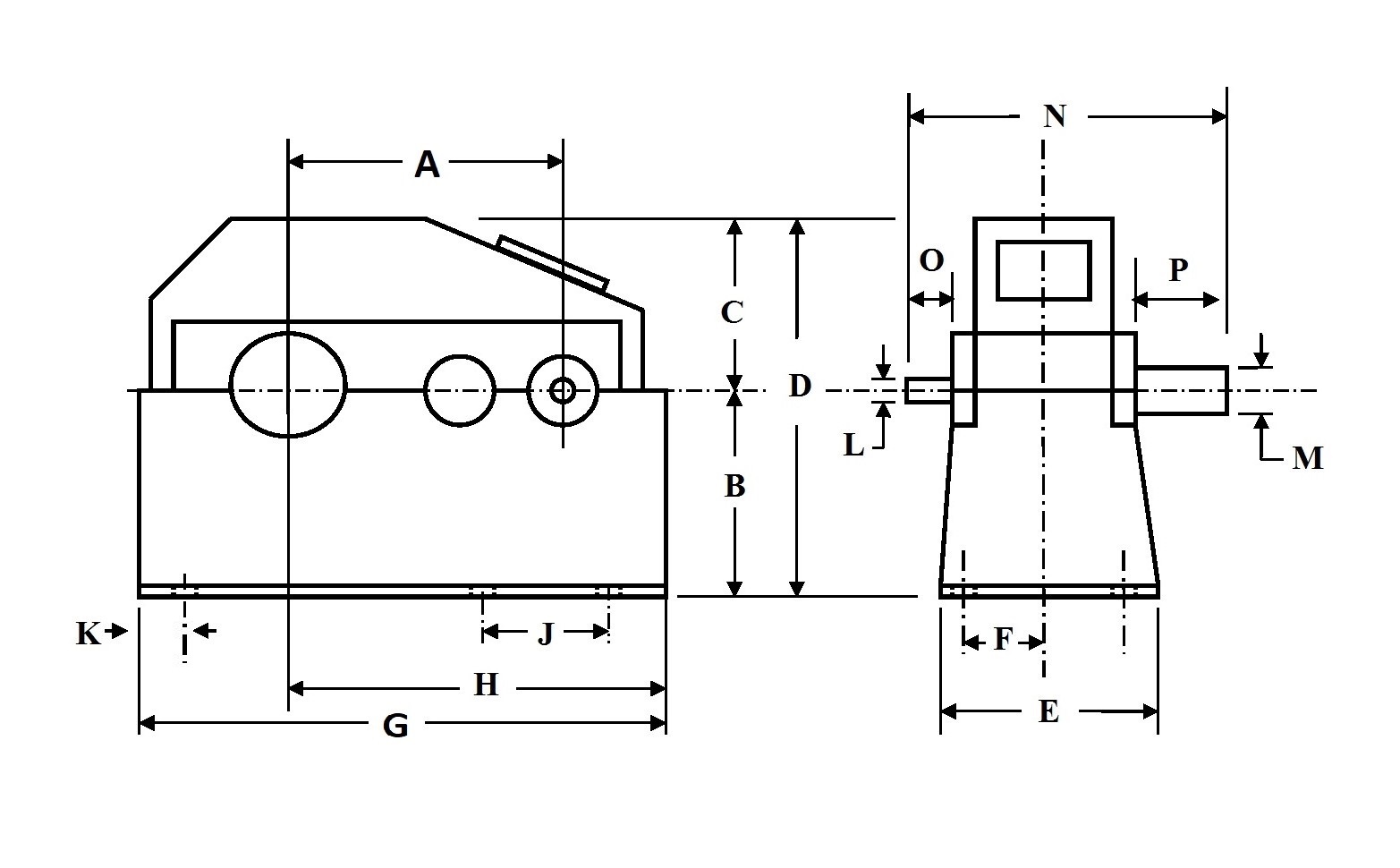
DIMENSION B 18.25  
DIMENSION C 6.5  
DIMENSION D 24.75  
DIMENSION E 28  
DIMENSION F 12.75  
DIMENSION G 34  
DIMENSION H 17  
DIMENSION J 15.25  
DIMENSION K 1.75  
DIMENSION L 3.750  
DINEMSION M 5  
DIMENSION N 22  
DIMENSION O 6  
DIMENSION P 7.75  

 

 

 

Casey logo
275 KAPPA DRIVE
PITTSBURGH, PA 15238
PHONE: (412) 963-1111
HOURS OF OPERATION: Monday – Friday
WAREHOUSE: 7:00am to 3:30pm
CORPORATE OFFICE: 7:30am to 4:00pm
Copyright © 2026 Casey Equipment Corporation