15 HP (11 KW), RPM INPUT 1750, 46.14 RATIO, RPM OUTPUT 38, LINK BELT GEAR REDUCER / SPEED REDUCER / GEARBOX, USED

Print

11277400000 2bcb9bace9e57a72b972a4ca7eb035775cb8b90c
11277400000 374203aac655c782ae6680c0e304b18f929318ea

 

 

 

 

 

11277400000

INVENTORY ID11277400000  
TITLE15 HP (11 KW), RPM INPUT 1750, 46.14 RATIO, RPM OUTPUT 38, LINK BELT GEAR REDUCER / SPEED REDUCER / GEARBOX, USED  
HORSEPOWER 15  
RPM INPUT 1750  
RATIO 46.14:1 RATIO  
RPM OUTPUT 37.93  
MANUFACTURER OF EQUIPMENT LINK BELT  
MODEL NUMBER 15FTBF82194812/AH  
SERIAL NUMBER M97-19726 A1  
BEARING TYPE ROLLER  
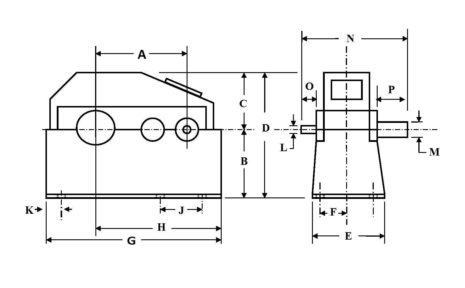
DIMENSION A N/A  
DIMENSION B 15  
DIMENSION C 10  
DIMENSION D 26.5  
DIMENSION E 26  
DIMENSION F 11.25  
DIMENSION G 24.5  
DIMENSION H N/A  
DIMENSION J 22.5  
DIMENSION K 1.75  
DIMENSION L 1.5  
DINEMSION M 3.25  
DIMENSION N 31.5  
DIMENSION O 4.25  
DIMENSION P 6.875  

 

 

 

Casey logo
275 KAPPA DRIVE
PITTSBURGH, PA 15238
PHONE: (412) 963-1111
HOURS OF OPERATION: Monday – Friday
WAREHOUSE: 7:00am to 3:30pm
CORPORATE OFFICE: 7:30am to 4:00pm
Copyright © 2026 Casey Equipment Corporation