14 HP (10 KW), RPM INPUT 870, 10.08 RATIO, RPM OUTPUT 86, HORSBURGH & SCOTT GEAR REDUCER / SPEED REDUCER / GEARBOX, USED

Print

11275500000 1fa88426556ac4fbde40e1c2e214d68b2ee0dc1f
11275500000 75c03450ff4eefe124f819ff6cd1b4c08b7a3751
11275500000 374203aac655c782ae6680c0e304b18f929318ea

 

 

 

 

 

11275500000

INVENTORY ID11275500000  
TITLE14 HP (10 KW), RPM INPUT 870, 10.08 RATIO, RPM OUTPUT 86, HORSBURGH & SCOTT GEAR REDUCER / SPEED REDUCER / GEARBOX, USED  
HORSEPOWER 14  
RPM INPUT 870  
RATIO 10.08:1 RATIO  
RPM OUTPUT 86  
GEARBOX SHAFT ARRANGEMENT PARALLEL  
MANUFACTURER OF EQUIPMENT HORSBURGH & SCOTT  
MODEL NUMBER CUSTOM LD1300  
SERIAL NUMBER T6048  
REDUCTION SINGLE  
SVC FACTOR (1.0, 1.5 ETC) 1.0  
GEAR TYPE (HERRINGBONE, WORM, ETC) HELICAL  
BEARING TYPE ROLLER  
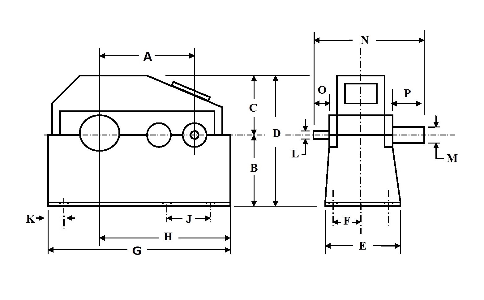
DIMENSION A 11  
DIMENSION B 8  
DIMENSION C 8  
DIMENSION D 16  
DIMENSION E 12  
DIMENSION F 4.75  
DIMENSION G 22  
DIMENSION H 13.5  
DIMENSION J 18.75  
DIMENSION K 1.75  
DIMENSION L 1  
DINEMSION M 2.5  
DIMENSION N 20  
DIMENSION O 5.625  
DIMENSION P 4  

 

 

 

Casey logo
275 KAPPA DRIVE
PITTSBURGH, PA 15238
PHONE: (412) 963-1111
HOURS OF OPERATION: Monday – Friday
WAREHOUSE: 7:00am to 3:30pm
CORPORATE OFFICE: 7:30am to 4:00pm
Copyright © 2026 Casey Equipment Corporation