15 HP (11 KW), RPM INPUT 725/1800, 42.69 RATIO, RPM OUTPUT 17/42, FALK 2070Y2-KS GEAR REDUCER / SPEED REDUCER / GEARBOX, USED

Print

11275400000 e5dd64e766c031901bcb6521c6348b4af4c39525
11275400000 d8e986ab56e24808c2392d22efb439743c27008a
11275400000 374203aac655c782ae6680c0e304b18f929318ea

 

 

 

 

 

11275400000

INVENTORY ID11275400000  
TITLE15 HP (11 KW), RPM INPUT 725/1800, 42.69 RATIO, RPM OUTPUT 17/42, FALK 2070Y2-KS GEAR REDUCER / SPEED REDUCER / GEARBOX, USED  
HORSEPOWER 15  
RPM INPUT 725 / 1800  
RATIO 42.69 :1 RATIO  
RPM OUTPUT 17/42  
GEARBOX SHAFT ARRANGEMENT PARALLEL  
MANUFACTURER OF EQUIPMENT FALK  
YEAR OF MANUFACTURE 1996  
MODEL NUMBER 2070Y2-KS  
SERIAL NUMBER 96-066992-01  
REDUCTION DOUBLE  
SVC FACTOR (1.0, 1.5 ETC) 1.03/2  
GEAR TYPE (HERRINGBONE, WORM, ETC) HELICAL  
BEARING TYPE ROLLER  
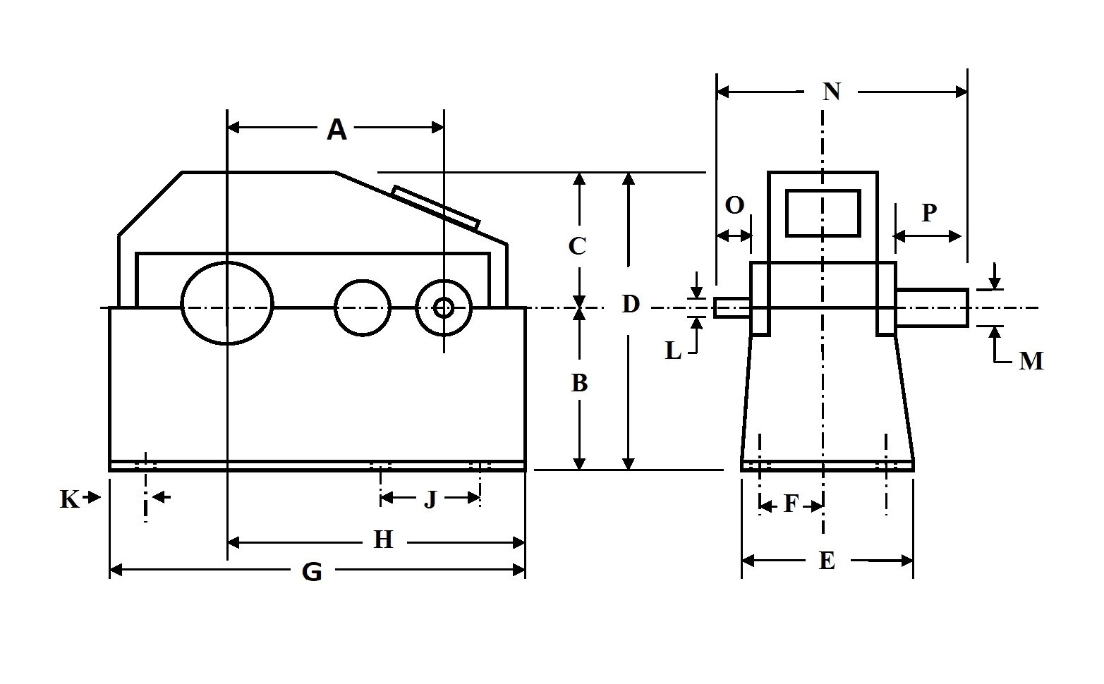
DIMENSION A 16.25  
DIMENSION B 10.25  
DIMENSION C 10.25  
DIMENSION D 20.5  
DIMENSION E 14  
DIMENSION F 11.5  
DIMENSION G 30  
DIMENSION H 19.625  
DIMENSION J 12  
DIMENSION K 2.75  
DIMENSION L 1.5  
DINEMSION M 3  
DIMENSION N 45.75  
DIMENSION O 4.25  
DIMENSION P 26.5  

 

 

 

Casey logo
275 KAPPA DRIVE
PITTSBURGH, PA 15238
PHONE: (412) 963-1111
HOURS OF OPERATION: Monday – Friday
WAREHOUSE: 7:00am to 3:30pm
CORPORATE OFFICE: 7:30am to 4:00pm
Copyright © 2026 Casey Equipment Corporation