45.60 HP (33 / 44 KW), RPM INPUT 1750, 30 RATIO, RPM OUTPUT 58, TEXTRON HV120A156-3 RIGHT ANGLE GEAR REDUCER / SPEED REDUCER / GEARBOX, USED

Print

11013500000 4aa9836b73c8efed64c0b65204016a3630564ec3
11013500000 4e4e82379b7dc98ca24ad4d735b64b0b8336f5f2
11013500000 b2851bbf88128fc8625960ca46f9e9ecda00eac0
11013500000 374203aac655c782ae6680c0e304b18f929318ea

 

 

 

 

 

11013500000

INVENTORY ID11013500000  
TITLE45.60 HP (33 / 44 KW), RPM INPUT 1750, 30 RATIO, RPM OUTPUT 58, TEXTRON HV120A156-3 RIGHT ANGLE GEAR REDUCER / SPEED REDUCER / GEARBOX, USED  
HORSEPOWER 45.6  
RPM INPUT 1750  
RATIO 30.0:1 RATIO  
RPM OUTPUT 58  
GEARBOX SHAFT ARRANGEMENT RIGHTANGLE  
MANUFACTURER OF EQUIPMENT TEUTRON  
MODEL NUMBER HV120A156-3  
REDUCTION SINGLE  
SVC FACTOR (1.0, 1.5 ETC) 1.0  
GEAR TYPE (HERRINGBONE, WORM, ETC) CONE  
BEARING TYPE AF  
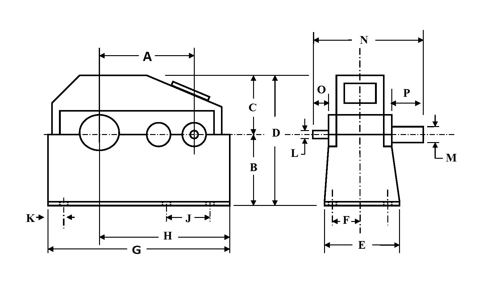
DIMENSION B 26.75  
DIMENSION C 13.25  
DIMENSION D 40  
DIMENSION E 24.5  
DIMENSION F 10.75  
DIMENSION G 35  
DIMENSION H 21.5 TO END OF INPUT SHAFT  
DIMENSION J 32  
DIMENSION K 2  
DIMENSION L 3  
DINEMSION M 5.5  
DIMENSION N 48  
DIMENSION O 6  
DIMENSION P 11  

 

 

 

Casey logo
275 KAPPA DRIVE
PITTSBURGH, PA 15238
PHONE: (412) 963-1111
HOURS OF OPERATION: Monday – Friday
WAREHOUSE: 7:00am to 3:30pm
CORPORATE OFFICE: 7:30am to 4:00pm
Copyright © 2026 Casey Equipment Corporation