266 HP (197 KW), RPM INPUT 900, 6.11 RATIO, RPM OUTPUT 147, HORSBURGH & SCOTT PARALLEL GEAR REDUCER / SPEED REDUCER / GEARBOX, USED

Print

10763000000 12c0d33e1bf49cb1b5d1f8dabba38d24f4bbac15
10763000000 c4ad0c53998dd1fae853f789f81b03e26c724820
10763000000 3cfa741bcc0e25083f902efe9de0438458af1451
10763000000 374203aac655c782ae6680c0e304b18f929318ea

 

 

 

 

 

10763000000

INVENTORY ID10763000000  
TITLE266 HP (197 KW), RPM INPUT 900, 6.11 RATIO, RPM OUTPUT 147, HORSBURGH & SCOTT PARALLEL GEAR REDUCER / SPEED REDUCER / GEARBOX, USED  
HORSEPOWER 266  
RPM INPUT 900  
RATIO 6.11:1 RATIO  
RPM OUTPUT 147  
GEARBOX SHAFT ARRANGEMENT PARALLEL  
MANUFACTURER OF EQUIPMENT HORSBURGH & SCOTT  
YEARS WHEN UPGRADES PERFORMED 2000  
DESCRIPTION OF UPGRADES C&P  
SERIAL NUMBER J-5409  
REDUCTION SINGLE  
SVC FACTOR (1.0, 1.5 ETC) 1.0  
GEAR TYPE (HERRINGBONE, WORM, ETC) HELICAL  
BEARING TYPE ROLLER  
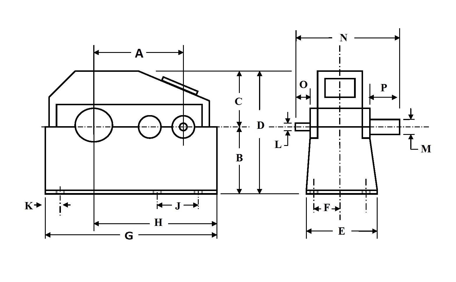
DIMENSION A 16  
DIMENSION B 24.62  
DIMENSION C 11.125  
DIMENSION D 36.75  
DIMENSION E 22.375  
DIMENSION F 9.75  
DIMENSION G 44.25  
DIMENSION H 26.125  
DIMENSION J 39  
DIMENSION K 2.625  
DIMENSION L 2.375  
DINEMSION M 4.375  
DIMENSION N 37  
DIMENSION O 6  
DIMENSION P 6  

 

 

 

Casey logo
275 KAPPA DRIVE
PITTSBURGH, PA 15238
PHONE: (412) 963-1111
HOURS OF OPERATION: Monday – Friday
WAREHOUSE: 7:00am to 3:30pm
CORPORATE OFFICE: 7:30am to 4:00pm
Copyright © 2026 Casey Equipment Corporation