150 HP (111 KW), RPM INPUT 1170, 38.75:1 RATIO, RPM OUTPUT 30.19, LUFKIN DF370D PARALLEL GEAR REDUCER / SPEED REDUCER / GEARBOX, USED

Print

10762300000 6d372234feb9db2e6edee62e39f383197307252c
10762300000 307f0227b12fa0b13f5f5e94f1606d8cf954b380
10762300000 823d00a23c4ccf6ee09a6729e241393d7667da08
10762300000 374203aac655c782ae6680c0e304b18f929318ea

 

 

 

 

 

10762300000

150 HP (111 KW), RPM INPUT 1170, 38.75 RATIO, RPM OUTPUT 30, LUFKIN DF370D PARALLEL GEAR REDUCER / SPEED REDUCER / GEARBOX USED
MANUFACTURER: LUFKIN
MODEL NUMBER: DF370C
SERIAL NUMBER: 250
RATIO: 38.75:1
RPM INPUT: 1170
RPM OUTPUT: 30.19
GEAR TYPE: HERRING BONE
BEARING TYPE: ROLLER
HORSEPOWER: 150
WEIGHT: 12,900 LBS (5851.3 KG)
PREVIOUS USE: COPPER MILL
INVENTORY #: 107623-000-00

INVENTORY ID10762300000  
TITLE150 HP (111 KW), RPM INPUT 1170, 38.75:1 RATIO, RPM OUTPUT 30.19, LUFKIN DF370D PARALLEL GEAR REDUCER / SPEED REDUCER / GEARBOX, USED  
HORSEPOWER 150  
RPM INPUT 1170  
RATIO 38.75:1 RATIO  
RPM OUTPUT 30.19  
GEARBOX SHAFT ARRANGEMENT PARALLEL  
MANUFACTURER OF EQUIPMENT LUFKIN  
MODEL NUMBER DF370C  
SERIAL NUMBER 250  
INPUT SHAFT DIA 3.25  
OUTPUT SHAFT DIA 7.75  
REDUCTION DOUBLE  
HEIGHT TO CENTERLINE OF OUTPUT SHAFT 25  
SVC FACTOR (1.0, 1.5 ETC) 1.82  
GEAR TYPE (HERRINGBONE, WORM, ETC) HERRINGBONE  
BEARING TYPE ROLLER  
PREVIOUS USE COPPER MILL  
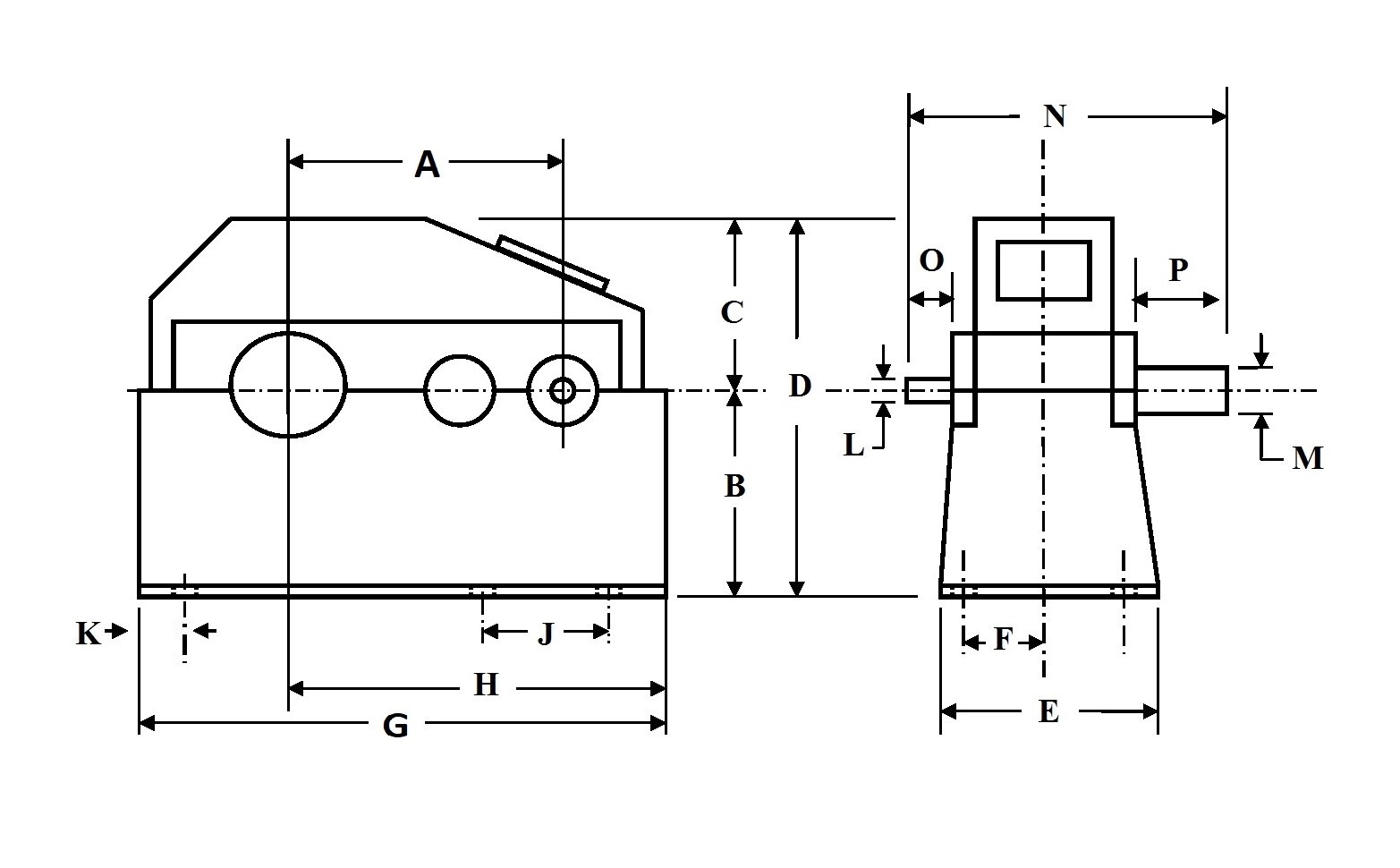
DIMENSION A 36.5  
DIMENSION B 25  
DIMENSION C 24  
DIMENSION D 49  
DIMENSION E 51.5  
DIMENSION F 28  
DIMENSION G 68.5  
DIMENSION H 46  
DIMENSION J 3.25  
DIMENSION K 5.5  
DIMENSION L 3.25  
DINEMSION M 7.75  
DIMENSION N 51.5  
DIMENSION O 7.5  
DIMENSION P 14  

 

 

 

Casey logo
275 KAPPA DRIVE
PITTSBURGH, PA 15238
PHONE: (412) 963-1111
HOURS OF OPERATION: Monday – Friday
WAREHOUSE: 7:00am to 3:30pm
CORPORATE OFFICE: 7:30am to 4:00pm
Copyright © 2026 Casey Equipment Corporation