35 HP (26 KW), RPM INPUT 575, 18.84 RATIO, RPM OUTPUT 31, FALK 2090Y2-3 PARALLEL GEAR REDUCER / SPEED REDUCER / GEARBOX, USED

Print

10748200000 323d3b544ff36d5d4abc60a228493cffa3d6354b
10748200000 16c30d7587b09e2860aaa534f283a6dd8d18f184
10748200000 9edc848e35482a7bb1696ebd6a2c4985e8bf2d44
10748200000 41e47a62894cae8dab70f4008ffe45e6f5fd0564
10748200000 374203aac655c782ae6680c0e304b18f929318ea

 

 

 

 

 

10748200000

INVENTORY ID10748200000  
TITLE35 HP (26 KW), RPM INPUT 575, 18.84 RATIO, RPM OUTPUT 31, FALK 2090Y2-3 PARALLEL GEAR REDUCER / SPEED REDUCER / GEARBOX, USED  
HORSEPOWER 35  
RPM INPUT 575  
RATIO 18.84:1 RATIO  
RPM OUTPUT 31  
GEARBOX SHAFT ARRANGEMENT PARALLEL  
MANUFACTURER OF EQUIPMENT FALK  
MODEL NUMBER 2090Y2-S  
SERIAL NUMBER 6-866207-01  
REDUCTION DOUBLE  
SVC FACTOR (1.0, 1.5 ETC) 1.46  
GEAR TYPE (HERRINGBONE, WORM, ETC) HELICAL  
BEARING TYPE ROLLER  
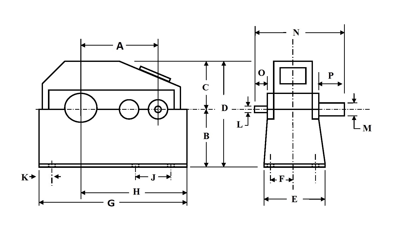
DIMENSION A 20.25  
DIMENSION B 13.125  
DIMENSION C 13  
DIMENSION D 26.125  
DIMENSION E 16.875  
DIMENSION F 7.25  
DIMENSION G 58  
DIMENSION H 24  
DIMENSION J 15.5  
DIMENSION K 3.5  
DINEMSION M 4.5  
DIMENSION L 2.25  
DIMENSION N 27.5  
DIMENSION O 5  
DIMENSION P 6.5  

 

 

 

Casey logo
275 KAPPA DRIVE
PITTSBURGH, PA 15238
PHONE: (412) 963-1111
HOURS OF OPERATION: Monday – Friday
WAREHOUSE: 7:00am to 3:30pm
CORPORATE OFFICE: 7:30am to 4:00pm
Copyright © 2026 Casey Equipment Corporation