1,000 HP (740 KW), RPM INPUT 600/1200, 15.66 RATIO, RPM OUTPUT 38/76, MORGARDSHAMMAR 823419 PARALLEL GEAR REDUCER / SPEED REDUCER / GEARBOX USED

10739500000

INVENTORY ID10739500000  
TITLE1,000 HP (740 KW), RPM INPUT 600/1200, 15.66 RATIO, RPM OUTPUT 38/76, MORGARDSHAMMAR 823419 PARALLEL GEAR REDUCER / SPEED REDUCER / GEARBOX USED  
HORSEPOWER 1,000  
RPM INPUT 600/1200  
RATIO 15.66:1 RATIO  
RPM OUTPUT 38/76  
GEARBOX SHAFT ARRANGEMENT PARALLEL  
MANUFACTURER OF EQUIPMENT MORGARDSHAMMAR  
YEARS WHEN UPGRADES PERFORMED Apr-95  
DESCRIPTION OF UPGRADES C&P  
MODEL NUMBER 823419  
REDUCTION DOUBLE  
SVC FACTOR (1.0, 1.5 ETC) 1.0  
GEAR TYPE (HERRINGBONE, WORM, ETC) HELICAL  
BEARING TYPE ROLLER  
PREVIOUS USE STAND 3 REDUCER ON BAR MILL  
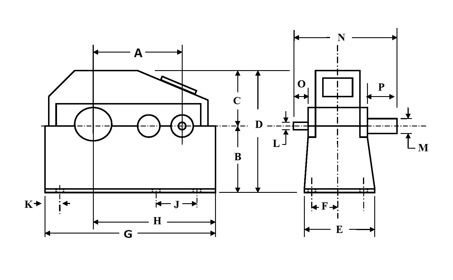
DIMENSION A 67.71  
DIMENSION B 39.37  
DIMENSION C 35.43  
DIMENSION D 76  
DIMENSION E 44.88  
DIMENSION F 23.75  
DIMENSION G 126  
DIMENSION H 106.69  
DIMENSION J 29.25  
DIMENSION K 32.75  
DIMENSION L 6.125  
DINEMSION M 9.75  
DIMENSION N 48  
DIMENSION O 3.25  
DIMENSION P 19  

 

 

 

Casey logo
275 KAPPA DRIVE
PITTSBURGH, PA 15238
PHONE: (412) 963-1111
HOURS OF OPERATION: Monday – Friday
WAREHOUSE: 7:00am to 3:30pm
CORPORATE OFFICE: 7:30am to 4:00pm
Copyright © 2026 Casey Equipment Corporation