14,600 HP (10,820 KW), RPM INPUT 875, 2.4706 RATIO, RPM OUTPUT 2160, FARRELL 51-3613-6 PARALLEL GEAR INCREASER / GEARBOX, USED

Print

10731700000 b354713eb8a77ca02825a4ef5ef54c6c1000b3f1
10731700000 f42d5524c961cf3cdd1bed26aef1a24c21ea36dd
10731700000 456dae0f17a53d94075ff5ee8926116c4d60e543
10731700000 85ca9343a3f68d83cddc8116d02ec2a14f8fcb16
10731700000 374203aac655c782ae6680c0e304b18f929318ea

 

 

 

 

 

10731700000

INVENTORY ID10731700000  
TITLE14,600 HP (10,820 KW), RPM INPUT 875, 2.4706 RATIO, RPM OUTPUT 2160, FARRELL 51-3613-6 PARALLEL GEAR INCREASER / GEARBOX, USED  
HORSEPOWER 14,600  
RPM INPUT 875  
RATIO 1:2.4706 RATIO  
RPM OUTPUT 2160  
GEARBOX SHAFT ARRANGEMENT PARALLEL  
MANUFACTURER OF EQUIPMENT FARRELL  
YEAR OF MANUFACTURE 1961  
YEARS WHEN UPGRADES PERFORMED Sep-96  
DESCRIPTION OF UPGRADES C&P  
MODEL NUMBER 51-3613-6  
SERIAL NUMBER 60-BD-3327  
INPUT SHAFT DIA 6.5  
OUTPUT SHAFT DIA 9  
REDUCTION SINGLE  
SVC FACTOR (1.0, 1.5 ETC) 1  
GEAR TYPE (HERRINGBONE, WORM, ETC) HERRBONE  
BEARING TYPE ROLLER  
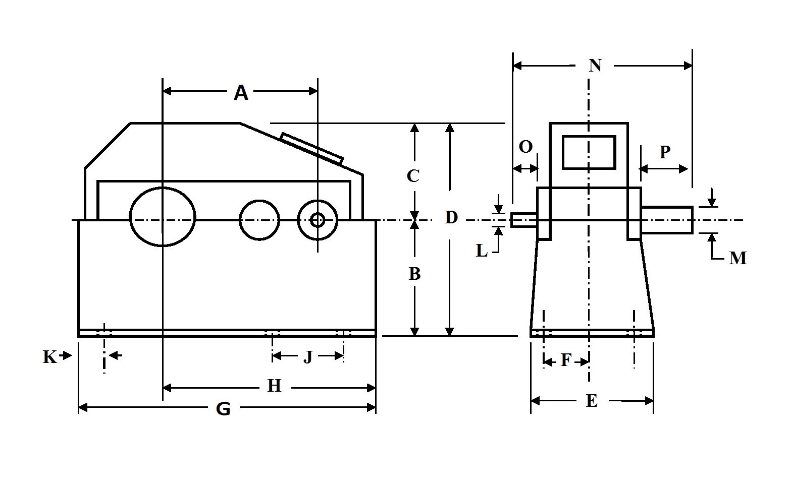
DIMENSION A 36  
DIMENSION B 39.5  
DIMENSION C 34.5  
DIMENSION D 74  
DIMENSION E 42  
DIMENSION F 18.75  
DIMENSION G 97.5  
DIMENSION H 59  
DIMENSION J 23.5  
DIMENSION K 2.5  
DIMENSION L 6.5  
DINEMSION M 9  
DIMENSION N 65  
DIMENSION O 11  
DIMENSION P 14.5  

 

 

 

Casey logo
275 KAPPA DRIVE
PITTSBURGH, PA 15238
PHONE: (412) 963-1111
HOURS OF OPERATION: Monday – Friday
WAREHOUSE: 7:00am to 3:30pm
CORPORATE OFFICE: 7:30am to 4:00pm
Copyright © 2026 Casey Equipment Corporation