8 HP (6 KW), RPM INPUT 870, 40 RATIO, RPM OUTPUT 22, HORSBURGH & SCOTT WB 1600 RIGHT ANGLE GEAR REDUCER / SPEED REDUCER / GEARBOX, USED

Print

10647300000 f6a108b21356dd2da8f6c9b9f6642f0b80aada5c
10647300000 c2473c66b255171b32830128b5ab201bcab00aad
10647300000 ca5e47f1d9d1a6dc91faa0df3afe023e98208bbb
10647300000 374203aac655c782ae6680c0e304b18f929318ea

 

 

 

 

 

10647300000

INVENTORY ID10647300000  
TITLE8 HP (6 KW), RPM INPUT 870, 40 RATIO, RPM OUTPUT 22, HORSBURGH & SCOTT WB 1600 RIGHT ANGLE GEAR REDUCER / SPEED REDUCER / GEARBOX, USED  
HORSEPOWER 8  
RPM INPUT 870  
RATIO 40:1 RATIO  
RPM OUTPUT 22  
GEARBOX SHAFT ARRANGEMENT RIGHTANGLE  
MANUFACTURER OF EQUIPMENT HORSBURGH & SCOTT  
MODEL NUMBER WB-1600  
SERIAL NUMBER J-3507  
REDUCTION SINGLE  
SVC FACTOR (1.0, 1.5 ETC) 1  
GEAR TYPE (HERRINGBONE, WORM, ETC) WORM  
BEARING TYPE ROLLER  
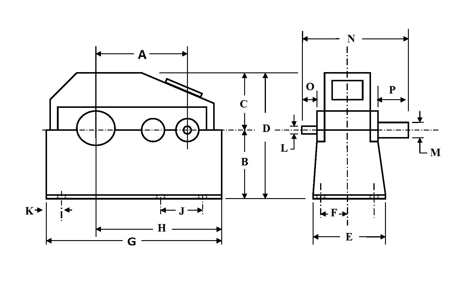
DIMENSION B 18  
DIMENSION C 8.5  
DIMENSION D 26.5  
DIMENSION E 16.5  
DIMENSION F 6.875  
DIMENSION G 20  
DIMENSION H 10  
DIMENSION J 15.5  
DIMENSION K 2.25  
DINEMSION M 2.875  
DIMENSION L 1.75  
DIMENSION N 30.25  
DIMENSION O 6  
DIMENSION P 6  

 

 

 

Casey logo
275 KAPPA DRIVE
PITTSBURGH, PA 15238
PHONE: (412) 963-1111
HOURS OF OPERATION: Monday – Friday
WAREHOUSE: 7:00am to 3:30pm
CORPORATE OFFICE: 7:30am to 4:00pm
Copyright © 2026 Casey Equipment Corporation