43.5 HP (32 KW), RPM INPUT 1000, 43.5 RATIO, RPM OUTPUT 185, HORSBURGH & SCOTT LS 1600 PARALLEL GEAR REDUCER / SPEED REDUCER / GEARBOX, USED

Print

10621800000 68bda8e5eb39794007b65bd92b729a1976fe97d4
10621800000 8268eb39eed7cd6fc9a7c8aa69920f3d19137cb6
10621800000 012e2bba88246ffcd19fa02f72a31ef64abc278e
10621800000 fc174ab7634607dc2ae3bdb8aa3ccf7a9162984c
10621800000 374203aac655c782ae6680c0e304b18f929318ea

 

 

 

 

 

10621800000

INVENTORY ID10621800000  
TITLE43.5 HP (32 KW), RPM INPUT 1000, 43.5 RATIO, RPM OUTPUT 185, HORSBURGH & SCOTT LS 1600 PARALLEL GEAR REDUCER / SPEED REDUCER / GEARBOX, USED  
HORSEPOWER 43.5  
RPM INPUT 1000  
RATIO 5.4:1 RATIO  
RPM OUTPUT 185  
GEARBOX SHAFT ARRANGEMENT PARALLEL  
MANUFACTURER OF EQUIPMENT HORSBURGH AND SCOTT  
YEARS WHEN UPGRADES PERFORMED 12/97  
DESCRIPTION OF UPGRADES C&P  
MODEL NUMBER LS 1600  
SERIAL NUMBER J-3511  
REDUCTION SINGLE  
SVC FACTOR (1.0, 1.5 ETC) 1.0  
GEAR TYPE (HERRINGBONE, WORM, ETC) HELICAL  
BEARING TYPE ROLLER  
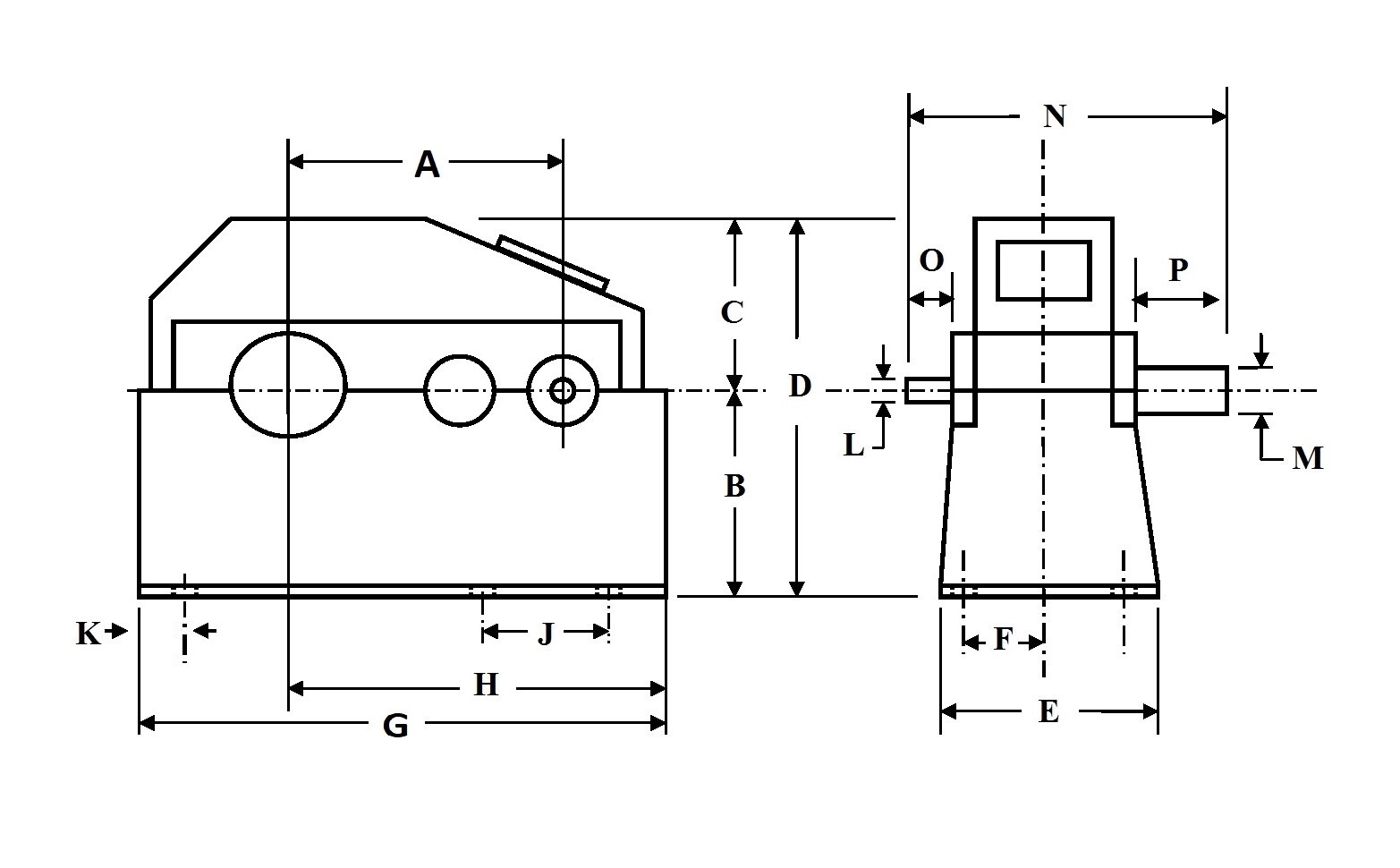
DIMENSION A 8  
DIMENSION B 9.5  
DIMENSION C 8.5  
DIMENSION D 18  
DIMENSION E 14  
DIMENSION F 5.75  
DIMENSION G 23.5  
DIMENSION H 18  
DIMENSION J 5.5  
DIMENSION K 2  
DIMENSION L 2  
DINEMSION M 3.25  
DIMENSION N 23.5  
DIMENSION O 3.25  
DIMENSION P 5  

 

 

 

Casey logo
275 KAPPA DRIVE
PITTSBURGH, PA 15238
PHONE: (412) 963-1111
HOURS OF OPERATION: Monday – Friday
WAREHOUSE: 7:00am to 3:30pm
CORPORATE OFFICE: 7:30am to 4:00pm
Copyright © 2026 Casey Equipment Corporation