20 HP (15 KW), RPM INPUT 1150-2300, 6.267 RATIO, RPM OUTPUT 183/367, FALK 2050Y1A PARALLEL GEAR REDUCER / SPEED REDUCER / GEARBOX, USED

Print

10164900000 027b0d52e7f224cbafab2228a20c8bb3dba078cf
10164900000 b62c0fd2129c04cb77942cfae253de7806f55300
10164900000 518376f7fcfce04baf0b740fae71076a4b0613df
10164900000 b59062e53da4b95a0fbb234a210a30fca1e6189b
10164900000 374203aac655c782ae6680c0e304b18f929318ea

 

 

 

 

 

10164900000

INVENTORY ID10164900000  
TITLE20 HP (15 KW), RPM INPUT 1150-2300, 6.267 RATIO, RPM OUTPUT 183/367, FALK 2050Y1A PARALLEL GEAR REDUCER / SPEED REDUCER / GEARBOX, USED  
HORSEPOWER 20  
RPM INPUT 1150-2300  
RATIO 6.267:1 RATIO  
RPM OUTPUT 183/367  
GEARBOX SHAFT ARRANGEMENT PARALLEL  
MANUFACTURER OF EQUIPMENT FALK  
MODEL NUMBER 2050Y1A  
REDUCTION SINGLE  
SVC FACTOR (1.0, 1.5 ETC) 1.52  
GEAR TYPE (HERRINGBONE, WORM, ETC) HELICAL  
BEARING TYPE ROLLER  
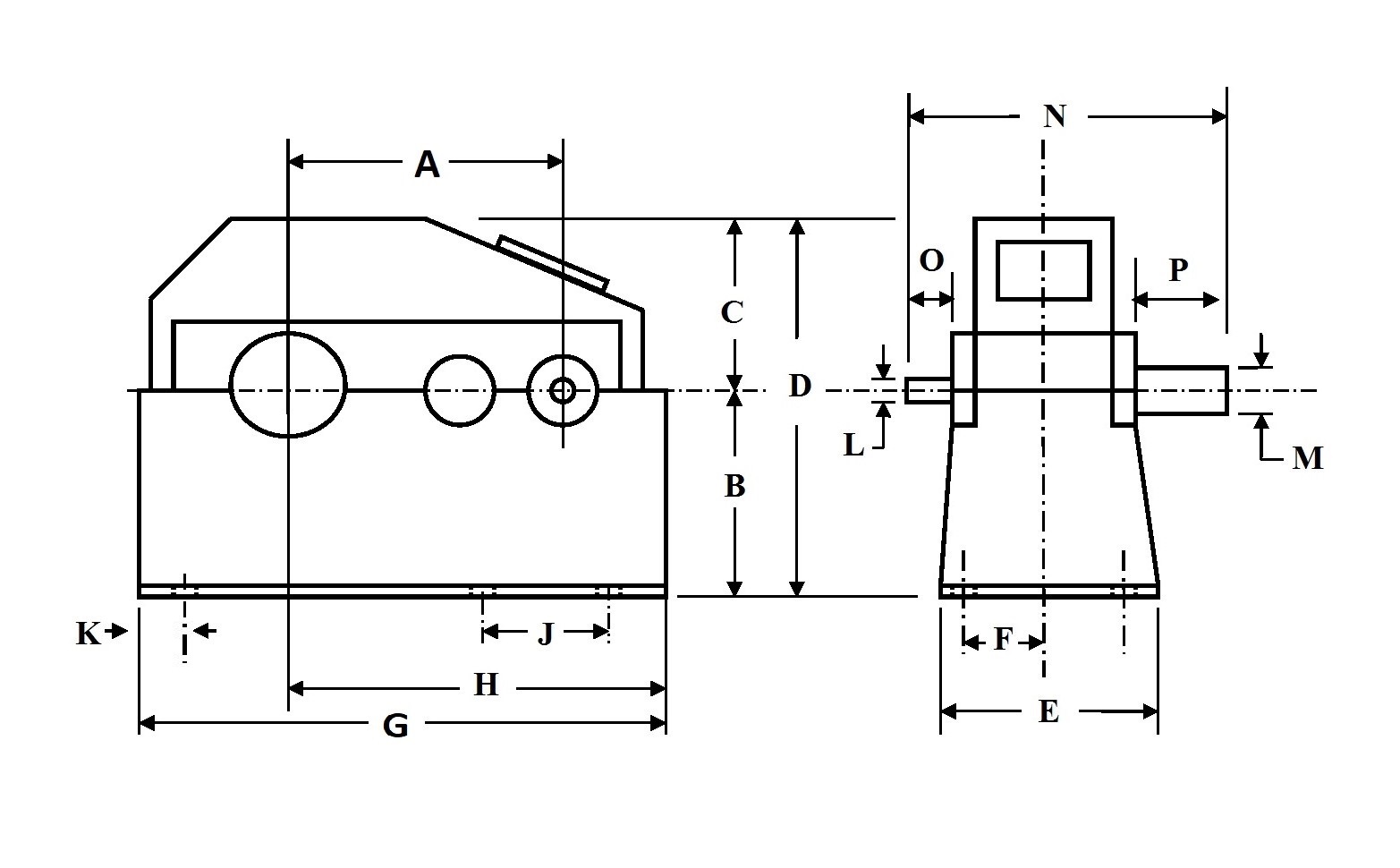
DIMENSION A 4.5  
DIMENSION B 8  
DIMENSION C 8  
DIMENSION D 16  
DIMENSION E 11.5  
DIMENSION F 4.875  
DIMENSION G 23.5  
DIMENSION H 15  
DIMENSION J 9.25  
DIMENSION K 2.5  
DIMENSION L 1.75  
DINEMSION M 2.75  
DIMENSION N 20  
DIMENSION O 3.0625  
DIMENSION P 8  

 

 

 

Casey logo
275 KAPPA DRIVE
PITTSBURGH, PA 15238
PHONE: (412) 963-1111
HOURS OF OPERATION: Monday – Friday
WAREHOUSE: 7:00am to 3:30pm
CORPORATE OFFICE: 7:30am to 4:00pm
Copyright © 2026 Casey Equipment Corporation